Analog Devices Inc. AD8412ARM-EVALZ Evaluierungsboard

Das Analog Devices AD8412ARM-EVALZ Evaluation Board basiert auf dem AD8412A Verstärker und wurde für die einfache Konfiguration verschiedener Betriebsmodi und für die Flexibilität bei den Lasten entwickelt. Ein Shunt-Widerstand (R1), mit einer Standardgröße von maximal 2818, kann auf die Platine gelötet werden. Die AD8412A Strommessverstärker bieten eine anfängliche Verstärkung von 10V/V, mit einer Bandbreite von 1,8 MHz und einem maximalen ±Verstärkungsfehler von 0,11% über den gesamten Temperaturbereich.

Das ADI AD8412ARM-EVALZ Board unterstützt die AD8412A in einem Small Outline Package (MSOP).

Merkmale

  • Ermöglicht ein schnelles Breadboarding und Prototyping
  • Einfach konfigurierbar für den unidirektionalen oder bidirektionalen Betrieb
  • Enthält eine Einrichtung für den Strommessungs-Nebenwiderstand
  • Einfache Verbindung zu Testausrüstungen
  • Enthält Vorrichtungen für einen Eingangsfilter und einen Ausgangsfilter
  • Entkoppelte Versorgungsleitung

Applikationen

  • In-Phase oder High-Side Strommessung in:
    • Motorsteuerung in BLDC-Motorenn-Motoren mit niedriger Induktivität
    • Bidirektionale 48 V bis 12 V DC-DC-Wandler
    • Magnetregler
    • Stromschienen-Überwachung
  • Low-Side-Strommessung

Layout

Analog Devices Inc. AD8412ARM-EVALZ Evaluierungsboard

Verbindungen zu Klemmenblöcken

Schaltungsanordnung - Analog Devices Inc. AD8412ARM-EVALZ Evaluierungsboard

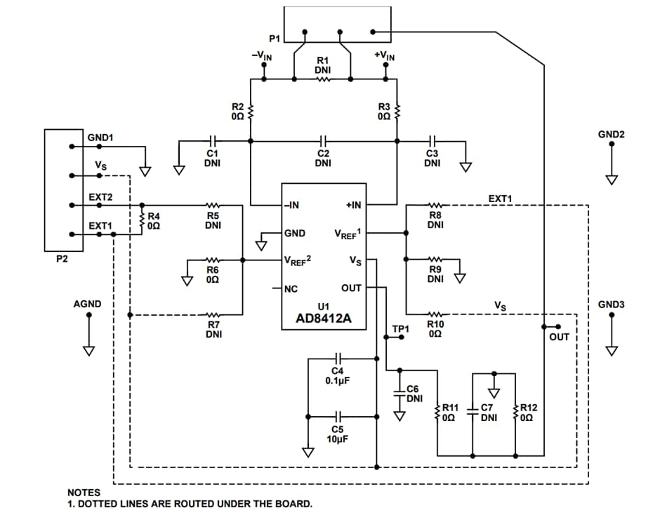
Schaltschema

Schaltplan - Analog Devices Inc. AD8412ARM-EVALZ Evaluierungsboard
Veröffentlichungsdatum: 2025-03-14 | Aktualisiert: 2025-03-18