Analog Devices Inc. EV-ADF4378SD1Z Evaluierungskit
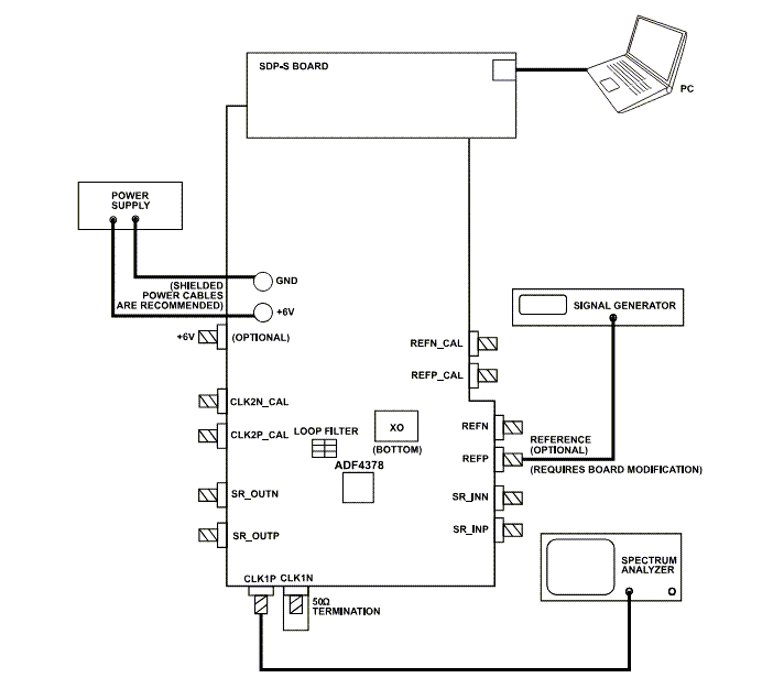
Das Analog Devices EV-ADF4378SD1Z Evaluierungskit ermöglicht Benutzern die Evaluierung des ADF4378 Frequenzsynthesizers mit einem integrierten spannungsgesteuerten Oszillator (VCO) für Phasenregelschleifen (PLLs). Das EV-ADF4378SD1Z enthält den ADF4378 Frequenzsynthesizer mit integriertem VCO, eine USB-Schnittstelle, Stromversorgungs-Steckverbinder, Ausbreitungsverzögerungs-Kalibrierpfade, einen On-Board-Referenzoszillator und Subminiatur-SMA-Steckverbinder (Version A). Die Ausgänge des Kits sind mit 50-Ω-Übertragungsleitungen AC-gekoppelt und eignen sich hervorragend für die Ausgänge zur Ansteuerung von Instrumenten mit einer Impedanz von 50 Ω. Das EV-ADF4378SD1Z benötigt ein SDP-S-Controllerboard (nicht im Lieferumfang des Kits enthalten). Das SDP-S bietet eine Softwareprogrammierung des EV-ADF4378SD1Z von ADI mit ACE-Software.Merkmale
- Eigenständiges Board, einschließlich ADF4378 Frequenzsynthesizer mit integriertem VCO, Schleifenfilter, USB-Schnittstelle, On-Board-Referenzoszillator, Ausbreitungsverzögerungs-Kalibrierpfade und Spannungsregler
- Windows®-basierte Software ermöglicht die Steuerung der Synthesizer-Funktionen von einem PC
- Wird extern mit 6 V betrieben
Erforderliche Ausrüstung
- Windows-basierter PC mit USB-Anschluss für die Evaluierungssoftware
- Nur serielle Systemdemonstrationsplattform (SDP-S) EVAL-SDPCS1Z Controllerboard
- Netzteil (6 V)
- 50-Ω-Anschlüsse
- Spektrumanalysator oder Phasenrauschanalysator, Oszilloskop oder digitaler Kommunikationsanalysator (DCA)
- Rauscharme REFIN-Quelle (optional)
- SYSREF-Taktgeber
Software
- ACE-Software, Version 1.26 oder höher
- ADF4378 Plug-In, Version 1.2022.48100 oder höher
Einstellung - Diagramm
Layout
Veröffentlichungsdatum: 2024-05-07
| Aktualisiert: 2024-06-24
