Analog Devices Inc. EV-ADF4382A Evaluierungsboard
Das EV-ADF4382A Evaluierungsboard von Analog Devices dient zur Evaluierung des ADF4382A Frequenzgenerators mit einem integrierten spannungsgesteuerten Oszillator (VCO) für Phasenregelschleifen (PLLs). Dieses Board verfügt über eine USB-Schnittstelle, Netzteil-Steckverbinder, einen On-Board-Referenz-Oszillator, Kalibrierungspfade für Laufzeitverzögerungen und Subminiatur-Steckverbinder der Version A (SMA). Der Ausgang des EV-ADF4382A Evaluierungsboards ist mit 50-Ω-Übertragungsleitungen AC-gekoppelt und eignet sich zum Ansteuern von Instrumenten mit einer Impedanz von 50 Ω. Dieses Evaluierungsboard eignet sich ideal für Tests und Messungen, Hochleistungs-Datenwandler-Taktung und drahtlose Infrastruktur (MC-GSM, 5G und 6G).Merkmale
- Eigenständiges Evaluierungsboard einschließlich des ADF4382A Frequenzgenerators mit integriertem VCO, Schleifenfilter, USB-Schnittstelle, On-Board-Referenz-Oszillator, Kalibrierungspfaden fürLaufzeitverzögerungen und Spannungsreglern
- Die auf Windows® basierende Software ermöglicht die Steuerung von Synthesizerfunktionen von einem PC aus.
- Extern versorgt mit 6 V
Applikationen
- Hochleistungs-Datenwandler-Taktung
- Drahtlose Infrastruktur (MC-GSM, 5G und 6G)
- Prüf- und Messsysteme
Erforderliche Ausrüstung
- Ein Windows-basierter PC mit USB™-Anschluss für die Evaluierungssoftware
- Eine Systemdemonstrationsplattform, nur serielle EVAL-SDP-CS1Z Reglerplatine (SDP-S)
- 6 V Netzteil
- Spektrumanalysator oder Phasenrauschanalysator
- 50 Ω Abschlusswiderstände
- Rauscharme Eingangsreferenzquelle (REFIN) (optional)
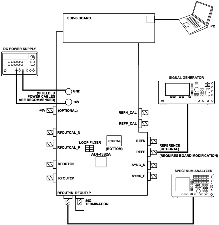
Einrichtungs-Diagramm des Evaluierungsboards
Veröffentlichungsdatum: 2024-02-05
| Aktualisiert: 2024-07-05
