Qorvo ACT85611EVK1-101 Evaluierungskit
Das Qorvo ACT85611EVK1-101 Evaluierungskit demonstriert den ACT85611QX101 aktiven PMU-Leistungsmanagement-IC. Dieses Kit bietet einen vollständigen Zugriff auf jeden Wandler und die Eingangs- und Ausgangsspannung und die digitalen Steuersignale. Dies gibt dem Benutzer die Flexibilität, den EVK so zu konfigurieren, dass er zum tatsächlichen System passt. Das ACT85611EVK1-101 Kit ist für eine Eingangsspannung des 12 V ausgelegt und die maximale Betriebsspannung wird durch die maximale Eingangsnennspannung des ICs bestimmt.Lieferumfang Kit
- EVK Bestückung
- USB-zu-I2C-Dongle:
- Dongle
- Benutzerdefinierter 4-Pin-Steckverbinder, der denUSB-zu-I2C-Donglemit der EVK-Bestückung verbindet
Erforderliche Ausrüstung
- ACT85611EVK1-101
- USB-zu-I2C-Dongle
- Stromversorgung 12 V bei 6 A für vollen Leistungsbetrieb
- >100 MHz- und > 4-Kanal-Oszilloskop
- Elektronisch oder ohmsche Last und eine Mindestlastfähigkeit von 6 A
- Digitalmultimeter (DMM)
- Windows-kompatibel Computer mit einem USB-Ersatzanschluss
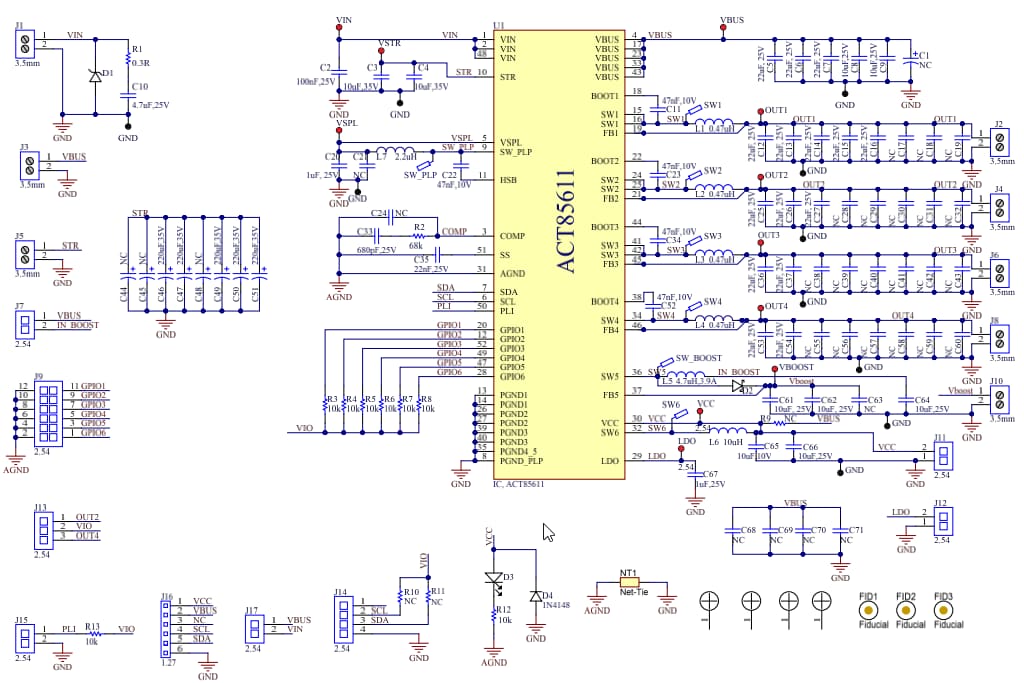
Schaltschema
EVK-Setup
Weitere Ressourcen
Veröffentlichungsdatum: 2025-05-12
| Aktualisiert: 2025-06-06
