Broadcom AELT-8000 Leitungstreiber-Evaluierungsboards

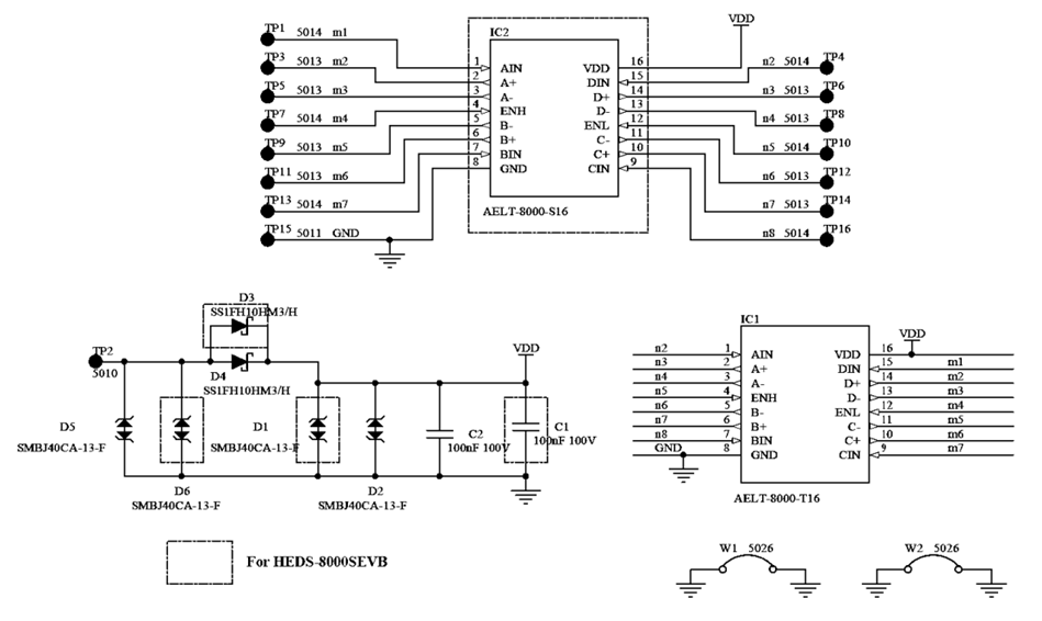
Broadcom AELT-8000 Leitungstreiber-Evaluierungsboards ermöglichen Benutzern die Evaluierung des Betriebsverhaltens und der Funktionen des AELT-8000 Leitungstreiber-ICs. Jeder Testpunkt ist mit den Pins des ICs verbunden und jedes Evaluierungsboard ist mit einem Kondensator (der als Entkopplungskondensator fungiert) und Dioden (für Sperrspannungsschutz und Spannungsklemmung) vorbestückt.

Das HEDS-8000SEVB von Broadcom ist mit der IC-Komponente AELT-8000-S16 (SOIC-16) ausgestattet. Das HEDS-8000TEVB ist mit der AELT-8000-T16 (TSSOP-16) IC-Komponente ausgestattet.

Merkmale

  • Betriebsfrequenz bis zu 5 MHz
  • 4,5 V bis 36 V Treiberversorgungsbereich
  • Pin-kompatibel bis 26xx31, xx7272
  • Kurzschlusssichere Tri-State-Ausgänge
  • 80 ns (typisch) geringe Laufzeitverzögerung
  • CMOS-kompatible und TTL-kompatible gepufferte Eingänge mit hoher Impedanz und Hysterese
  • -40 °C bis 125 °C Betriebstemperaturbereich
  • Übertemperaturschutzschaltung
  • Unterspannungsüberwachung

Applikationen

  • Leitungstreiber für 5 V- bis 36 V-Steuersysteme
  • Rotierende und lineare Encoder-Schnittstelle
  • Industriesteuerungen
  • Sensorsysteme

Board-Abmessungen (mm)

Technische Zeichnung - Broadcom AELT-8000 Leitungstreiber-Evaluierungsboards

Schaltschema

Schaltplan - Broadcom AELT-8000 Leitungstreiber-Evaluierungsboards

Layout

Broadcom AELT-8000 Leitungstreiber-Evaluierungsboards
Veröffentlichungsdatum: 2025-03-11 | Aktualisiert: 2025-03-17