FRAMOS FSM-IMX296 Sensor Modules
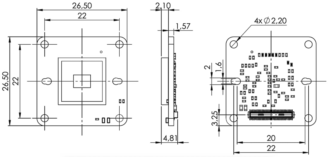
FRAMOS FSM-IMX296 Sensor Modules provide the Sony IMX296 sensor on a compact 26.5mm x 26.5mm module. The Global Shutter sensor has a native resolution of 1.6MP and an optical format of 1/2.9 at a pixel size of 3.45µm x 3.45µm. The Modules have a MIPI CSI-2 interface with up to 1-data lanes. FRAMOS Sensor Modules enable users to seamlessly plug the most current image sensor technology into common processing platforms. These modules feature a fully modular design that utilizes standardized connectors and mechanicals. The modules include image sensors on a PCB and have resolutions from 0.4MP to 24MP with both rolling and global shutter options. FRAMOS Sensor Modules are ideal for evaluating a sensor as part of a proof-of-concept design. The modules can also compare and contrast multiple sensors using a common backend and integrate them into third-party processor boards.Features
- Image sensors on a PCB with connector, available off-the-shelf
- An extensive lineup of products with resolutions from 0.4MP to 24MP, available with either rolling or global shutter imagers
- Available with MIPI CSI-2 (D-PHY) output
- Converter boards for SubLVDS and SLVS imagers
- Standardized mechanicals with small footprints of 26.5mm x 26.5mm and 28mm x 28mm
Specifications
- Model Name: FSM-IMX296M/FSM-IMX296C (V1A-V1B)
- Image Sensor
- Vendor: Sony IMX296LLR/IMX296LQR
- Shutter type: CMOS rolling shutter
- Technology/Grade: Pregius (Gen2)/sensing
- Chromacity: Mono
- Optical format: 1/2.9"
- Pixel size: 3.45µm x 3.45µm
- Maximum resolution: 1.5Mpx/1456 x 1088px
- Framerate (maximum): 60.4FPS (1-lane)
- Bit depth: 10-bit
- Interface
- Data interface: MIPI CSI-2 (1-lane)
- Communication interface: I2C (4-wire serial)
- Drive frequency: 37.125MHz/74.25MHz/54MHz
- Input voltages: 1.2V, 1.8V, 3.3V
- Interface connector: Hirose DF40C-60DP-0.4V(51)
- EEPROM (sensor ID): No
- Mechanical
- Dimensions (H x W) 26.5mm x 26.5mm
- Environmental
- Operating Temperature
- -30°C to +75°C (function)
- -10°C to +60°C (performance)
- Storage Temperature: -40°C to +85°C
- Ambient Humidity: 20% to 95% RH, non condensing
- Operating Temperature
- Software Support
- Driver
- V4L2 Based Device Driver
- Libargus/Argus Camera (ISP Tuned)
- Isaac ROS compliant
- Supported Platforms
- NVIDIA Jetson Family: AGX Xavier, Xavier NX, AGX Orin
- Qualcomm DragonBoard 410C
- Software Version(s)
- NVIDIA JP5.1/L4T35.2.1
- DB410C: Linaro 18.01/Kernel 4.14
- Driver
- Suggested Accessories and Adapters
- Compatible FSA Type: FSA-FT6/A
- Recommended Devkit(s)
- FSM-IMX296x/TXA_Devkit (AGX)
- FSM-IMX296x/NVN_Devkit (NX)
- Lens Mounts
- M12 or C/CS-Mount options
Applications
- Engineers looking to reduce the time-to-market with a rapid prototyping module, ready to integrate into various third-party processing platforms
- Embedded vision projects that benefit from an open platform by diving down to the component level
- Gauge implementations against Sony's reference
- Make educated "build v.s. buy" decisions and benefit from FRAMOS's long-term camera development experience for your tailored productization
Dimensions (mm)
Veröffentlichungsdatum: 2023-09-27
| Aktualisiert: 2023-10-06
