Infineon Technologies WLC1115 Sender für kabelloses Laden

Der Infineon Technologies WLC1115 Sender für kabelloses Laden ist ein hochintegrierter Q1-konformer drahtloser Leistungssender mit integrierter USB Type-C™-Power Delivery (PD). Der WLC1115 erfüllt die Anforderungen gemäß Qi v1.3.2 Standards für 15-W-Applikationen und ist mit den USB-PD 3.0 Spezifikationen konform. Der WLC1115 enthält integrierte Gate-Treiber für Abwärts- und Wechselrichter-Netzteile, die für drahtlose Senderapplikationen erforderlich sind. Das Bauteil unterstützt einen großen Eingangsspannungsbereich und bietet viele programmierbare Funktionen  für die Erstellung von verschiedenen drahtlosen Senderlösungen.

Der WLC1115 ist ein hochgradig programmierbarer drahtloser Leistungssender und eine integrierte USB-PD-Senkenlösung mit einem ARM® Cortex-M0-32-Bit-On-Chip-Prozessor, 128 KB Flash, 16 KB RAM und 32 KB ROM, der die meisten verfügbaren Flash-Speicher für den Einsatz in Benutzerapplikationen ermöglicht. Das Bauteil enthält außerdem verschiedene analoge und digitale Peripherien, wie z. B. einen Analog-Digital-Wandler (ADC), PWMs und Timer. Die Integration eines vollständig programmierbaren MCUS mit analoger und digitaler Peripherie ermöglicht skalierbare drahtlose Mehrfachspulen-Ladelösungen für die freie Positionierung von Sender-Designs.

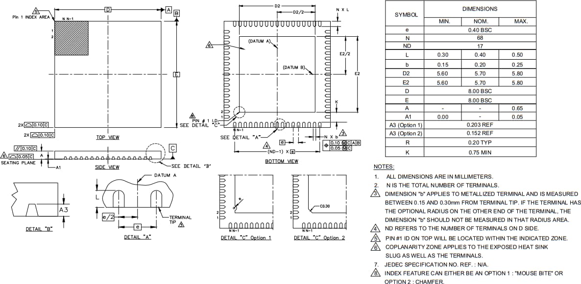
Der drahtloser WLC1115 Ladetransmitter von Infineon Technologies ist in einem 8,0 mm x 8,0 mm großen QFN-68-Gehäuse untergebracht und verfügt über ein freiliegendes Pad für verbesserte thermische Leistung.

Merkmale

  • Qi 3.x-konformer Sender (MP-A11 Spule)
  • Integrierter USB-PD-Controller
    • Unterstützt USB-PD 3.0 Version
    • Programmierbarer Stromversorgungsmodus (PPS)
    • Unterstützung für USB-PD-Legacy-Ladeprotokolle, wie z. B. QC 2.0, 3.0 und AFC
  • Integrierter Abwärtswandler-Controller für VBRIDGE (VBRG)
  • Integrierte Gate-Treiber für Abwärtswandler und Wechselrichter
  • Integrierte Q-Faktor-Erkennung
  • Integrierter FSK-Modulator
  • Großer Eingangsspannungsbereich: 5 V bis 24 V
  • I2C- und UART-Kommunikationsanschlüsse
  • Überstromschutz (OCP)
  • Überspannungsschutz (OVP)
  • Unterstützt Übertemperaturschutz durch eine integrierte ADC-Schaltung und einen internen Temperatursensor
  • Erweiterter Industrietemperaturbereich: -40 °C bis +105 °C
  • QFN-68-Gehäuse von 8,0 mm x 8,0 mm x 0,65 mm

Applikationen

  • Drahtlose Ladepads für erweitertes Leistungsprofil (EPP) (15 W) und grundlegendes Leistungsprofil (BPP) (5 W)
  • Smart-Lautsprecher
  • Tragbares Zubehör
  • Möbel und Haushaltswaren
  • Dockingstationen
  • Hochgeschwindigkeits-Ladeunterstützung

Logikschaltung – Blockdiagramm

Blockdiagramm - Infineon Technologies WLC1115 Sender für kabelloses Laden

Typische Applikations-Schaltung

Applikations-Schaltungsdiagramm - Infineon Technologies WLC1115 Sender für kabelloses Laden

Gehäuseabmessungen

Technische Zeichnung - Infineon Technologies WLC1115 Sender für kabelloses Laden
Veröffentlichungsdatum: 2022-06-27 | Aktualisiert: 2022-11-04