Infineon Technologies 6ED223xS12T EiceDRIVER™ Gate-Treiber-ICs
Infineon Technologies 6ED223xS12T EiceDRIVER™ Pegelverschiebungs-Gate-Treiber-ICs sind isolierte Hochgeschwindigkeits-Gate-Bipolartransistoren (IGBTs) mit hoher Spannung (bis zu 1.200 V) und drei unabhängigen High-Side- und Low-Side-referenzierten Ausgangskanälen für Dreiphasen-Applikationen. Proprietäre HVIC- und Latch-unempfindliche CMOS-Technologien ermöglichen eine robuste monolithische Bauweise. Der Logikeingang ist mit Standard-CMOS- oder TTL-Ausgängen bis hinunter zu einer 3,3-V-Logikschaltung kompatibel. Dieser Widerstand kann auch eine Überstromschutzfunktion (OCP) ableiten, die alle sechs Ausgänge abschließt.Die 6ED223xS12T Dreiphasen-ICs bieten ein Open-Drain-FAULT-Signal zur Anzeige einer Überstrom- oder Unterspannungsabschaltung. Fehlerzustände werden nach einer extern programmierten Verzögerung über ein RC-Netzwerk automatisch behoben. Die Ausgangstreiber verfügen über eine Bufferstufe mit hohem Impulsstrom, die für minimale Querströme des Treibers ausgelegt ist. Der potentialfreie Kanal kann n-Kanal-Leistungs-MOSFETs oder IGBTs in der High-Side-Konfiguration ansteuern, die mit bis zu 1.200 V betrieben wird. Laufzeitverzögerungen werden angepasst, um die Verwendung des HVIC in Hochfrequenz-Applikationen zu vereinfachen.
Merkmale
- Dreiphasen-Lösung mit Silicon-On-Insulator(SOI)-Technologie von Infineon und integrierten Bootstrap-Dioden (BSD)
- Logikschaltung zum Schutz vor Totzeit und Querleitung
- Vollständig funktionsfähig bis zu einer Offset-Spannung von +1.200 V
- Tolerant gegenüber negativer Transientenspannung (bis zu -100 V), dV/dt-immun
- Unterspannungssperre für beide Kanäle
- Überstromschutz mit einem ITRIP-Schwellenwert von ±5 %
- Fehlermeldung, automatische Fehlerlösch- und Freigabefunktion auf demselben Pin (RFE)
- Angepasste Laufzeitverzögerung für alle Kanäle
- Integrierter Totzeitschutz von 460 ns
- Durchzündungsschutz (Querleitungsschutz)
- Niedriger Ruhestrom
- Hoher Wirkungsgrad
- Schnelle und zuverlässige Schaltung
- Erhöhte Zuverlässigkeit des Geräts
- Kostengünstiges Bootstrap-Netzteil
- Benutzerfreundliches, einfaches Design
- Verschiedene Eingangsoptionen
- Standard-Pinbelegung und Gehäuse
Applikationen
- Industrieantriebe
- Motorsteuerung
- Universal-Wechselrichter
- Kommerzielle und private Klimaanlagen
Technische Daten
- Nennspannung von 1.200 V
- Ausgangsstrom
- 0,35 A Quelle
- 0,65 A Senke
- Ausgangsquellen-/Senkenstrombelastbarkeit von +0,35 A/‐0,65 A
- Sechskanal
- Umgebungstemperaturbereich: -40 °C bis +125 °C
- Laufzeitverzögerungen
- Einschalten: 700 ns
- Ausschalten: 650 ns
- Eingangsbereich: 10 V bis 20 V
- Kompatibel mit 3,3 V-, 5 V- und 15 V-Eingangslogikschaltung
Datenblätter
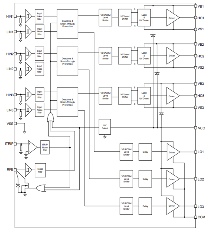
Funktionales Blockdiagramm
Weitere Ressourcen
Veröffentlichungsdatum: 2023-01-26
| Aktualisiert: 2023-07-03
