Infineon Technologies BTS3080TF Demonstrationsboard
Das Infineon Technologies BTS3080TF Demonstrationsboard ist zur Evaluierung der Funktionen und des Betriebsverhaltens der BTS3080TF hochintegrierten temperaturgeschützten MOSFET-Schalter (HITFET™) ausgelegt. Dieses Demonstrationsboard enthält bereits den mit Steckverbindern für OUT-, IN- und GND-Pins montierten BTS3080TF Schalter. Das BTS3080TF Demonstrationsboard ist in der Lage, eine ohmsche, kapazitive oder induktive Last von 12 V anzutreiben. Dieses Demonstrationsboard ist RoHS-konform und wird in einem Versorgungsspannungsbereich von 6 V bis 31 V betrieben.Merkmale
- Evaluiert die Funktionen und das Betriebsverhalten der BTS3080TF HITFET™-Schalter
- Der BTS3080TF Schalter ist bereits mit Steckverbindern für OUT-, IN- und GND-Pins montiert
- Treibt eine ohmsche, kapazitive oder induktive Last von 12 V an
- RoHS-konform
- Versorgungsspannungsbereich: 6 V bis 31 V
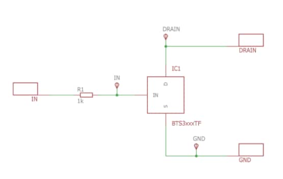
Schaltplan
Veröffentlichungsdatum: 2019-12-10
| Aktualisiert: 2024-01-23
