Infineon Technologies MAP-Sensoren (Manifold Air Pressure, MAP)

Infineon Technologies MAP-Sensoren (Manifold Air Pressure, MAP) basieren auf dem kapazitiven Prinzip. Die MAP ist ein wichtiger Parameter zur Berechnung des Luft-Kraftstoffverhältnisses des Motors. Diese Sensoren sind mit einer monolithischen integrierten Signalkonditionierungsschaltung, die in der BiCMOS-Technologie implementiert ist, oberflächenmikrobearbeitet. Die MAP-Sensoren wandeln ein Drucksignal in ein analoges Ausgangssignal um. Diese Sensoren verfügen über eine hohe Präzisionssensorik, einen ratiometrischen analogen Ausgang, Drahtbrucherkennung, Klemmspannung, Automotive-Qualifizierung und ein großer Temperaturbereich. Zu den typischen Applikationen gehören Automotive, Industrie, Verbraucher, Medizin, Wetterstationen und Höhenmeter.

Der Infineon Technologies KP275 MAP-Sensor ist ein genauer Turbo-Digitalsensor, der die Erfüllung der Ziele von neuen gesetzlichen CO2-Anforderungen ermöglicht. Dieser digitale MAP-Sensor bietet eine hohe Qualität sowie eine lange Lebensdauer und kann in rauen Umgebungen betrieben werden. Der KP275 digitale MAP-Sensor verfügt über eine integrierte Signalverarbeitung für einen externen Temperatursensor, eine SENT-Protokoll-Schnittstelle und eine reale 12-Bit-Temperatur- und Druckauflösung. Zu den typischen Applikationen gehören Automotive-, Industrie-, Verbraucher- und Medizinbereiche.

Merkmale

  • Hochdruck-Sensorik
  • Ratiometrischer Analogausgang
  • Großer Temperaturbereich
  • Drahtbrucherkennung
  • Klemmspannung
  • Automotive-qualifiziert
  • „Grünes“ 8-Pin-SMD-Gehäuse

Applikationen

  • Fahrzeuganwendungen (Saugrohrdruckmessung)
  • Industriesteuerung
  • Verbraucherapplikationen
  • Medizinische Applikationen
  • Wetterstationen 
  • Höhenmesser

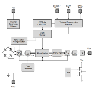
MAP-Sensoren - Blockdiagramm

MAP-Sensoren - Applikations-Schaltung-Diagramm

MAP-Sensoren - Pin-Diagramme

Veröffentlichungsdatum: 2019-01-07 | Aktualisiert: 2026-03-11