Infineon Technologies TLD5191IVREG_EVAL Evaluierungsboard
Das Infineon Technologies TLD5191IVREG_EVAL Evaluierungsboard evaluiert den TLD5191ES synchronen MOSFET-H-Brücken-DC/DC-Regler. Dieses Evaluierungsboard zeichnet sich durch seine leistungsstarke Auf-/Abwärtswandler-Architektur mit hohem Wirkungsgrad aus. Das TLD5191IVREG_EVAL Evaluierungsboard ist ein EMV-optimiertes Bauteil und bietet einen Konstantstrom (LED) und eine Konstantspannungsregelung. Dieses Evaluierungsboard ermöglicht aufgrund des hohen Wirkungsgrads und der reduzierten EMI-Emissionen ein kompaktes Design. Das TLD5191IVREG_EVAL Evaluierungsboard verfügt über einen maximalen Ausgangsstrom von 6 A, einen Versorgungsspannungsbereich von 6 V bis 35 V und einen Ausgangsspannungsbereich von 5 V bis 47 V. Zu den typischen Applikationen gehören Fahrzeuganwendungen, Universal-DC/DC für Konstantstrom- oder Spannungsapplikationen, wie z. B. USB, mobile drahtlose Ladegeräte und Universal-Vorregelung für Infotainment.Merkmale
- Konstantstrom- (LED) und Konstantspannungsregelung
- Hochleistungs- und Buck-Boost-Architektur mit hohem Wirkungsgrad
- Embedded-PWM-Engine für digitale Verdunkelung
- EMC-optimiertes Bauelement (Frequenzspreizung)
- Ermöglicht aufgrund des hohen Wirkungsgrads ein kompaktes Design
- Reduzierte EMI-Emissionen
- Einfache Diagnose der Last durch zuverlässige Schutzfunktionen
Technische Daten
- Maximaler Ausgangsstrom: 6 A
- 6 V bis 35 V Versorgungsspannungsbereich
- 5 V bis 47 V Ausgangsspannungsbereich
- 385 kHz Schaltfrequenz
- 275 Hz-PWM-Frequenz (embedded-PWM-engine-aktiviert)
Applikationen
- Speziell für den Antrieb von Hochleistungs-LEDs in Fahrzeuganwendungen ausgelegt
- Automotive-Außenbeleuchtung: Vollständige LED-Scheinwerferbaugruppen (Abblendlicht, Fernlicht, Matrixstrahl und Pixellicht)
- Spannungs-Vorregler für Heckleuchten-Baugruppen
- Universal-DC/DC für Konstantstrom- oder Konstantspannungs-Applikationen wie USB, mobile drahtlose Ladegeräte und Mehrzweck-Vorregelung für infotainment
PCB-Layout
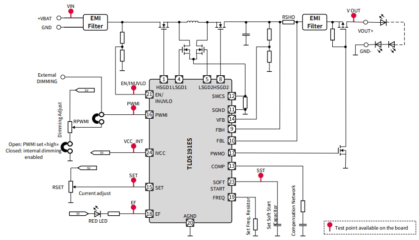
Vereinfachtes Schaltschema im Konstantstrommodus (LED-Treiber)
Weitere Ressourcen
Veröffentlichungsdatum: 2023-11-15
| Aktualisiert: 2024-01-26
