Infineon Technologies TLE8110ED Leistungsschalter-IC
Der Infineon TLE8110ED Leistungsschalter-IC ist ein 10-Kanal-Low-Side-Schalter mit Smart-Power-Technologie (SPT) und Serial Peripheral Interface (SPI) sowie 10 Open-Drain-DMOS-Ausgangsphasen. Die Ausgangsphasen werden über parallele Eingangspins für die Pulsweitenmodulation (PWM) oder SPI-Schnittstelle gesteuert. Der TLE8110ED ist mit 10 parallelen Eingangspins ausgestattet, die zu jedem Ausgangskanal geroutet sind und die Steuerung des Kanals für Lasten, die von der PWM angesteuert werden, ermöglichen. Dieser Leistungsschalter verfügt über eine zentrale Klemmvorrichtung, eine 16-Bit-SPI-Schnittstelle, eine kompakte Steuerung, eine sichere Kommunikation sowie einen Überspannungs-, Übertemperatur- und ESD-Schutz. Der TLE8110ED Leistungsschalter-IC wird durch eingebettete Schutzfunktionen geschützt und ist für Automobil- und Industrieapplikationen ausgelegt.Merkmale
- Überspannungs-, Übertemperatur- und ESD-Schutz
- Direkte parallele PWM-Steuerung aller Kanäle
- Sichere Kommunikation (SPI und parallel)
- Effizienter Kommunikationsmodus, der mit Kompakt-Steuerung bezeichnet wird
- Kompatibel mit 3,3V- und 5V-Mikrocontroller-I/O-Anschlüssen
- Die zentrale Klemmvorrichtung namens clampSAFE für eine hocheffiziente parallele Verwendung der Kanäle
- Grünes Produkt (RoHS-konform)
- Vollständig bleifrei
- AEC-qualifiziert
Applikationen
- Automobil-Leistungsschalter
- Schaltmagnete für industrielle Systeme
- Relais
- Ohmsche Lasten
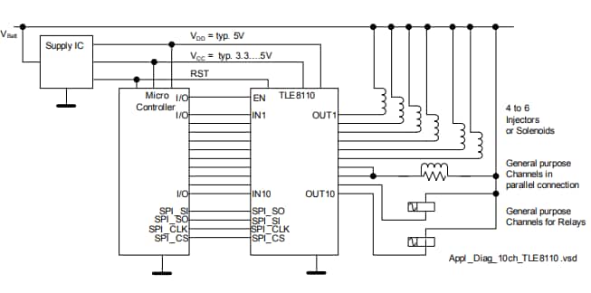
TLE8110ED Blockdiagramm
Veröffentlichungsdatum: 2018-05-25
| Aktualisiert: 2022-08-08
