Infineon Technologies TLE985x H-Brücken-MOSFET-Treiber-ICs
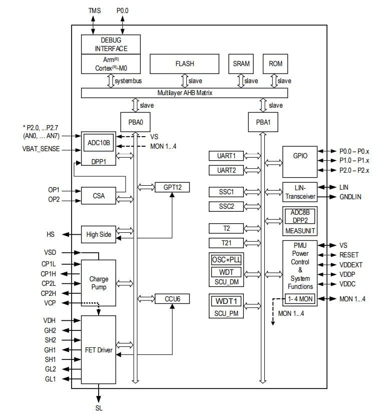
Infineon Technologies TLE985x H-Brücken-MOSFET-Treiber-ICs sind Einzelchip-Zweiphasen-Motortreiber, die einen ARM® Cortex®-M0-Core mit einem NFET-Treiber integrieren. Diese ICs verfügen über vier vollständig integrierte NFET-Treiber, eine Ladungspumpe, die einen Niederspannungsbetrieb ermöglicht und einen programmierbaren Strom zusammen mit einer Stromanstiegsregelung. Die vier vollständig integrierten NFET-Treiber sind für den Antrieb eines Zweiphasenmotors über vier externe Leistungs-NFETs optimiert. Die TLE985x ICs werden in einem bleifreien VQFN-48 Gehäuse geliefert, um Board-Platz einzusparen. Diese ICs liefern zusammen mit einem linearen On-Chip-Spannungsregler die externen Lasten.Der Peripheriesatz des TLE985x ICs enthält einen mit der Capture- und Compare-Einheit für die PWM-Steuerung synchronisierten Analog-Digital-Wandler mit sukzessivem Approximationsregister, einen Stromsensor und einen 16-Bit-Timer. Diese ICs enthalten außerdem einen integrierten LIN-Transceiver, der die Kommunikation mit dem Baustein und einer Reihe von Universal-I/Os ermöglicht. Zu den typischen Applikationen gehören Fensterheber, Schiebedach, elektrischer Lüfter, elektrische Pumpen und LIN-adressierte Motorsteuerungen.
Merkmale
- ARM Cortex-M0-32-Bit-Core mit bis zu 40 MHz
- Einzelstromversorgung: 5,5 V bis 28 V
- 96 KB FLASH
- Bis zu 4 KB RAM
- 1x LIN-Transceiver
- 2x UART
- 2x SSC
- Zweiphasen-Brückentreiber mit Ladungspumpe und PWM-Generator
- 1x Low-Side-Shunt-Strommessverstärker
- 1x 10-Bit-ADC/12-Kanal
- 1x 8-Bit-ADC/9-Kanal
- 9x 16-Bit-Timer
- 1x 24-Bit-Timer
- Temperaturbereich: -40 °C bis 150 °C
- Ultra-kompakter Applikations-Footprint mit VQFN-48-Gehäusen
Applikationen
- Fensterheber
- Schiebedach
- Elektrischer Lüfter
- Elektrische Pumpe
- Einphasen-Pumpen und Lüfter
- LIN-adressierte Motorsteuerung
Blockdiagramm
TLE985x H-Brücken-MOSFET-Treiber-IC - Übersicht
Weitere Ressourcen
Veröffentlichungsdatum: 2019-04-04
| Aktualisiert: 2023-11-30
