Infineon Technologies TLT9251VLE Hochgeschwindigkeits-CAN-FD-Transceiver
Der Infineon Technologies TLT9251VLE Hochgeschwindigkeits-CAN(Controller Area Network)-FD(flexible Datenrate)-Transceiver verfügt über eine flexible Datenrate von bis zu 5 MB und ist gemäß AEC-Q100 Klasse 0 für Fahrzeuganwendungen qualifiziert. Der TLT9251VLE Transceiver ist zur Erfüllung der Anforderungen der ISO 11898-2 (2016) Spezifikation für die Physical Layer und der SAE-Standards J1939 und J2284 (Society of Automotive Engineering) ausgelegt. Als Schnittstelle zwischen der Physical-Bus-Layer und dem HS-CAN-Protokoll-Controller, schützt der TLT9251VLE den Mikrocontroller vor Störungen, die im Netzwerk erzeugt werden. Eine sehr hohe ESD-Festigkeit und HF-Störfestigkeit ermöglichen den Einsatz in Fahrzeuganwendungen ohne zusätzliche Schutzelemente hinzufügen zu müssen.Basierend auf der hohen Symmetrie der CANH- und CANL-Ausgangssignale bietet der TLT9251VLE eine sehr niedrige elektromagnetische Emission (EME) innerhalb eines großen Frequenzbereichs.
Der optimierte Sender und die Verzögerungssymmetrie des Empfängers ermöglicht dem TLT9251VLE die Unterstützung von CAN-FD-Datenrahmen. Abhängig von der Größe des Netzwerks und der damit verbundenen parasitären Effekte, unterstützt das Bauteil Bitraten von bis zu 5 MBit/s.
Dedizierte Stromsparmodi bieten einen sehr niedrigen Ruhestrom, während das Bauteil eingeschaltet ist. Im Standby-Modus liegt der typische Ruhestrom auf dem VIO unter 10 µA, während das Bauteil noch über ein Bussignal auf dem HS-CAN-Bus aktiviert werden kann.
Ausfallsichere Funktionen wie Übertemperaturschutz, Ausgangsstrombegrenzung oder die TXD-Timeout-Funktion schützen den TLT9251VLE und die externen Schaltungen vor irreparablen Schäden.
Der TLT9251VLE von Infineon Technologies ist in einem kleinen, bleifreien PG-TSON-8-Gehäuse verfügbar. Dieses Bauteil unterstützt die Lötstellenanforderungen für die automatische optische Inspektion (AOI), ist RoHS-konform und halogenfrei.
Merkmale
- Vollständig konform mit ISO 11898-2 (2016), SAE J2284-4 und SAE J2284-5
- Infineon Automotive-Qualität
- AEC-Q100 Klasse 0 (TA: -40 °C bis +150 °C) Qualifizierung für Hochtemperatur-Einsatzprofile
- Garantierte Schleifenverzögerungssymmetrie für CAN-FD-Datenrahmen bis zu 5 Mbit/s
- Sehr niedrige elektromagnetische Emission (EME) ermöglicht die Nutzung ohne zusätzliche Gleichtakt-Drosselspule
- VIO-Eingang für die Spannungsanpassung an die µC-Schnittstelle (3,3 V und 5,0 V)
- Bus-Aktivierungsmuster-Funktion (WUP) mit optimierter Filterzeit (0,5 µs bis 1,8 µs) für die weltweite OEM-Nutzung
- Standby-Modus mit reduziertem Ruhestrom
- Die Senderversorgung VCC kann im Standby-Modus für zusätzliche Ruhestromeinsparungen ausgeschaltet werden
- Aktivierungsanzeige auf dem RxD-Ausgang
- Großer Gleichtaktbereich für elektromagnetische Störfestigkeit (EMI)
- Hervorragende ESD-Stabilität von ±8 kV (HBM) und ±11 kV (IEC 61000-4-2)
- Erweiterter Versorgungsbereich auf der VCC- und VIO-Versorgung
- CAN-Kurzschlussfestigkeit zu Masse, Batterie, VCC und VIO
- TxD-Time-Out-Funktion
- Sehr niedriger CAN-Bus-Ableitstrom im abgeschalteten Zustand
- Übertemperaturschutz
- Geschützt gegen Automotive-Transienten gemäß ISO 7637 und SAE J2962-2
- Umweltfreundliches Produkt (RoHS-konform)
- Kleines TSON8-Gehäuse ohne Anschlüsse für die automatische optische Inspektion (AOI)
Applikationen
- Fahrzeugantriebsstrang- und Getriebeapplikationen
- Gateway-Module
- Bordnetzsteuermodule (BSG)
- Motorsteuerungseinheiten (ECUs)
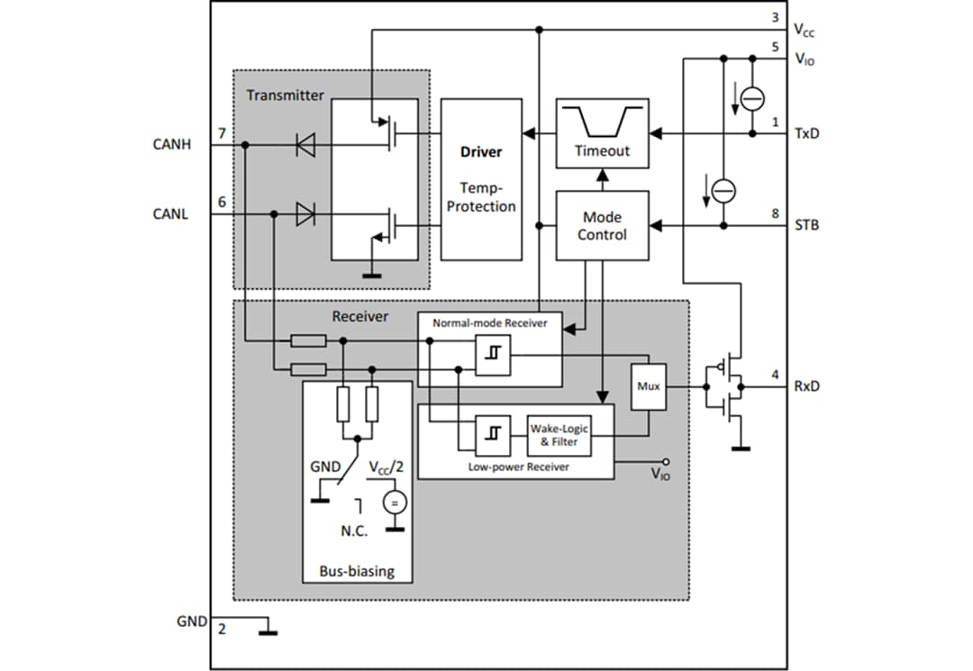
Blockdiagramm
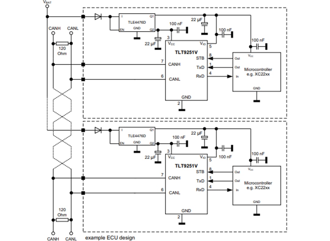
Typische Applikations-Schaltung
Gehäuseabmessungen
