IXYS IX4341 / IX4342 MOSFET-Gate-Treiber
IXYS IX4341 / IX4342 MOSFET Gate-Treiber verfügen über zwei unabhängige Treiber, entweder beide mit invertierender (IX4341) oder mit einer invertierenden und einer nicht-invertierenden Fähigkeit (IX4342). Der Gate-Treiber kann mit CMOS- und TTL-kompatiblen Eingängen einen Spitzenstrom von bis zu 5 A aufnehmen und senken. Die IX4341 / IX4342 Baureihe bieten je nach Modell thermisch optimierte 8-Pin-MSOP- und schmale SOIC-Standardgehäuse. Die IXYS IX4341 / IX4342 MOSFET Gate-Treiber liefern schnelle typische Ausbreitungsverzögerungen von 16 ns und schnelle typische Anstiegs- und Abfallzeiten von 7 ns, die für Hochfrequenz-Applikationengeeignet sind. Die Gate-Treiber sind ideal für verschiedene Applikationen, einschließlich Schaltnetzteile (SMPS), DC/DC Wandler, Motorsteuerungen, und Wechselrichter.Merkmale
- Zwei unabhängige invertierende Treiber (IX4341)
- Zwei unabhängige Treiber – einer invertierend und einer nicht-invertierend (IX4342)
- Spitzenstromaufnahme und -senkung von 5 A
- CMOS- und TTL-kompatible Eingänge
- Thermisch optimierte 8-Pin-MSOP- und schmale SOIC-Gehäuse
- Schmales 8-Pin-SOIC-Standardgehäuse
- Unterspannungssperr(UVLO)-Schaltung
- Schnelle Ausbreitungsverzögerungen
- Schnelle Anstiegs- und Fallzeiten
- Bleifrei (RoHS-konform)
Applikationen
- SMPS
- DC/DC-Stromversorgungen
- Motorsteuerungen
- Wechselrichter
Technische Daten
- Versorgungsspannungsbereich: 4,5CC bis 18 VCC
- Absolute Mindest-Eingangsnennspannung: -0,3 V
- Maximale Eingangsspannung: VCC +0,3
- Ausgangsnennstrom: ±5 A
- Maximaler Versorgungsnennstrom: 2,5 mA
- ESD-Einstufung: ±2 kV
- Maximale Schaltfrequenz: 1 MHz
- Sperrschichttemperaturbereich: -55 °C bis +150 °C
- -65 °C bis +150 °C Lagertemperaturbereich
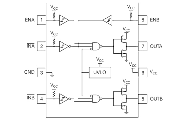
Funktionales Blockdiagramm
Veröffentlichungsdatum: 2024-05-28
| Aktualisiert: 2024-05-31
