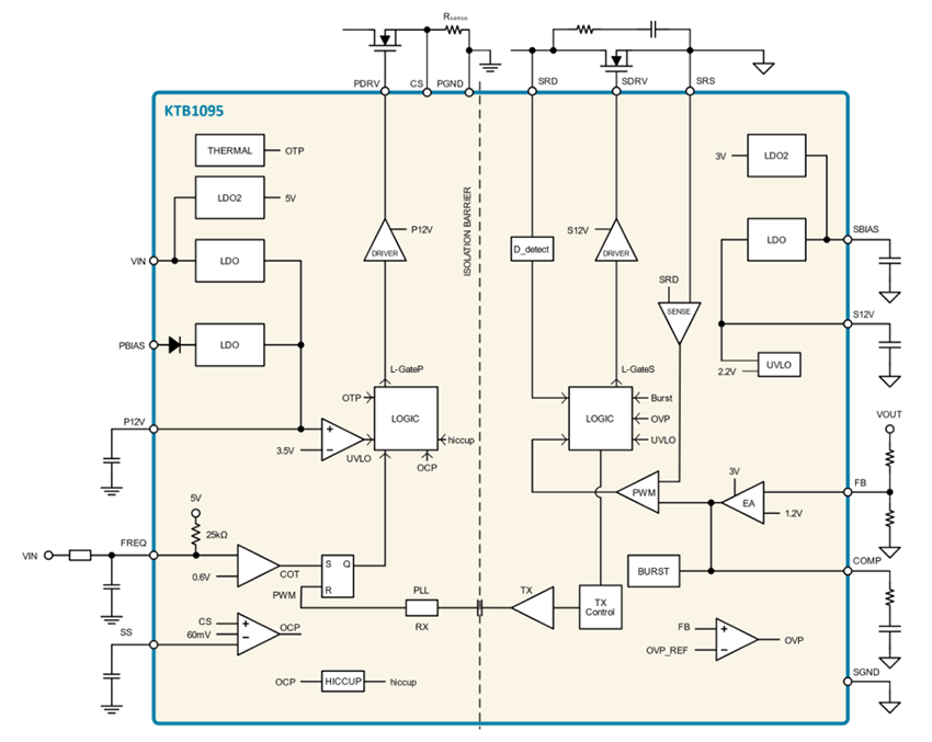
Kinetic Technologies KTB1095 Synchronous Flyback Controller
Kinetic Technologies KTB1095 Synchronous Flyback Controller is a highly integrated isolated synchronous flyback controller with internal feedback and an integrated digital isolator. The internal digital isolator eliminates the need for an external optocoupler and enables a small total solution size. The device operates over a wide 5V to 80V input voltage range to support various applications. The Kinetic Technologies KTB1095 employs current-mode PWM control with constant on-time (COT) for a fast transient response and superior output voltage regulation. The device features an adjustable soft-start function to limit inrush current during start-up. The device has built-in protection features, including input voltage UVLO, output over-voltage-protection (OVP), cycle-by-cycle current limit, short-circuit protection, and thermal shutdown. The KTB1095 is available in a RoHS and Green-compliant SOP-16 package.Features
- Wide 5V to 80V VIN range
- Integrated feedback and digital isolator
- Internal startup regulator
- Integrated driver for synchronous rectifier MOSFET
- ±1.5% feedback voltage reference
- 8V primary driver with 1A source/2A sink current capability
- 9V secondary driver with 2A source/3A sink current capability
- Over 3000VRMS isolation
- Adjustable frequency From 100kHz to 700kHz
- Adjustable soft-start time
- Optional primary side bias for optimized efficiency
- Built-in cycle-by-cycle current limit, input UVLO, over-current protection, short-circuit protection, and thermal shutdown protection
- SOP-16 wide body package (10.3mm x 7.5mm x 2.65mm)
- -40°C to +125°C operating junction temperature range
- UL1577 safety certifications
Applications
- Telecom and communications power systems
- Industrial PLCs and smart meters
- Power-Over-Ethernet (PoE)
- Bias supply for isolated DC-DC converters
- Low-power isolated power modules
- Battery Management System (BMS) in EVs
Typical Application
Block Diagram
Veröffentlichungsdatum: 2024-07-15
| Aktualisiert: 2025-02-17
