Littelfuse CH1B050P Pyro-fuse Trigger
Der Littelfuse CH1B050P Pyro-fuse Trigger nutzt die Hall-Technologie mit offenem Regelkreis, um einen Überstromzustand zu erkennen und ein Ausgangssignal zur Aktivierung eines Pyro-Moduls bereitzustellen. Der CH1B050P Stromsensor löst das Pyromodul direkt aus und bietet Storm mit Unterbrechungsfunktion für hohe Stromfehler. Dieser schnelle und zuverlässigeSchaltungsschutzlösung bietet einen geringen Stromverbrauch in einem kompakten und leichten Design.Merkmale
- Für Applikationen von Pyro-Modulsystemen ausgelegt
- Stromsensor löst Pyro direkt aus
- Unterbrechungsfunktion für sehr hohen Fehlerstrom
- Verschiedene Auslöselevel
- Asymmetrische Kalibrierung möglich
- Externes Triggersignal zum Pyromodul
- Diagnosefunktion
- Hall-Effekt mit offenem Regelkreis
- Stromversorgung: +12 VDC, unipolar
- -40 °C bis +85 °C Betriebstemperaturbereich
- Systemspannung von bis zu 1.000 VDC
Technische Daten
- Maximale Versorgungsspannung: -16 V bis 24 V
- Maximaler Versorgungsstrom im Messmodus: 200 mA
- Maximaler Versorgungsstrom von 10 A für 2 ms während des Auslösens
- Isolierwiderstand: 50 MΩ
- Ableitstrom von 1 mA aufgrund dielektrischer Spannung
- Kriechstrecke von 14,98 mm
- Luftstrecke von 8,44 mm
- Entflammbarkeitsklasse: UL 94V-0
- IP41-Schutzart
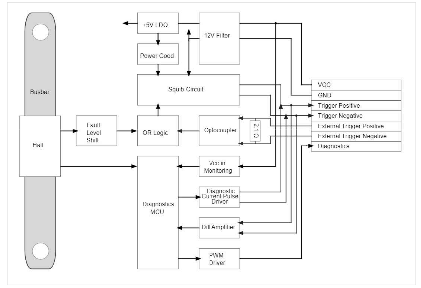
Blockdiagramm
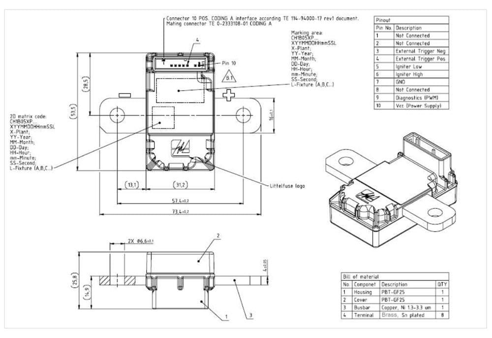
Abmessungen (mm)
Veröffentlichungsdatum: 2025-09-26
| Aktualisiert: 2025-10-24
