Littelfuse SP3019-Baureihe Vierkanal-TVS-Diodenarray
Die 0,3 pF SOT23-6L 4-Kanal-TTVS-Diodenarrays der SP3019-Baureihe von Littelfuse bieten ein hohes Maß an Schutz für elektronische Geräte, die elektrostatischen Entladungen (ESD) ausgesetzt sein können. Diese robusten Dioden können ohne Leistungsabfall wiederholte elektrostatische ESD-Impulse sicher absorbieren, die einem Maximalpegel nach internationalem Standard IEC 61000-4-2 entsprechen (±8 kV Kontaktentladung). Die SP3019-Dioden verfügen über vier integrierte Kanäle mit extrem niedriger Kapazität für asymmetrischen Schutz. Die sehr niedrige Kapazität im Aus-Zustand macht dieses Diodenarray zudem perfekt zum Schutz von Hochgeschwindigkeits-Signalleitungen, wie HDMI, USB3.0, USB2.0 und eSATA.Merkmale
- ESD, IEC 61000-4-2, ±22 kV/-10 kV Kontaktentladung, +22 kV/-10 kV Luftentladung
- EFT, IEC 61000-4-4, 40 A (tP=5/50 ns)
- Blitzschlag, 2,5 A (8/20 gemäß IEC 61000-4-5 2. Ausgabe)
- Geringe Kapazität von 0,3 pF bei 0 V, 3 GHz (Typ) pro E/A
- Geringer Ableitstrom von 10 nA (TYP) bei 5 V
- AEC-Q101-qualifiziert
- Feuchteempfindlichkeit (MSL-1)
- Blei- und halogenfrei
Applikationen
- LCD-/PDP-TVs
- Außenlager
- DVD- und Blu-Ray-Player
- Computer
- MP3/PMP
- Set-Top-Boxen
- Smartphones
- Ultrabooks/Notebooks
- Digitalkameras
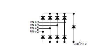
Funktionales Blockdiagramm
Veröffentlichungsdatum: 2018-02-21
| Aktualisiert: 2023-02-14
