Littelfuse SP3420 TVS-Diodenarray

Das Littelfuse SP3420 TVS-Diodenarray umfasst vierkanalige und leistungsstarke ESD-Schutzdioden mit ultra-niedriger Kapazität. Dieses Diodenarray schützt Hochgeschwindigkeits-Datenraten, wie z. B. USB 3.1, DisplayPort, Thunderbolt und e-SATA. Das SP3420 Diodenarray verfügt über einen Spitzenimpulsstrom von 6 A und eine Kapazität von 0,32 pF, welche die Signalqualität gewährleistet. Dieses robuste Bauteil kann wiederholte ESD-Schläge auf dem in der internationalen Norm IEC 61000-4-2 festgelegten Höchstwert ohne Leistungseinbußen sicher absorbieren. Das SP3420 Diodenarray eignet sich hervorragend für den Einsatz in LVDS-Schnittstellen, in der Unterhaltungselektronik, in mobiler und tragbarer Elektronik, Tablet-PCs und externen Speichern mit Hochgeschwindigkeits-Schnittstellen.

Merkmale

  • Vierkanal mit ultra-niedriger Kapazität von 0,32 pF bei 1,5 V (typisch)
  • Niedriger Ableitstrom von 0,02 µA bei 3,3 V (typisch)
  • Niedrige Betriebs- und Klemmspannung
  • ESD, IEC 61000-4-2, Kontakt von ±12 kV Kontakt und Luft von ±15 kV
  • EFT, IEC 61000-4-4, 40 A (5/50 ns)
  • Blitzschutz, IEC 61000-4-5 2. Ausgabe, bei 6 A (tp = 8/20 µs)
  • AEC-Q101-qualifiziert
  • Halogenfrei, bleifrei und RoHS-konform
  • Feuchteempfindlichkeit (MSL-1)

Applikationen

  • Ultra-Hochgeschwindigkeits-Datenleitungen
  • USB 3.1, 3.0 und 2.0
  • DisplayPort (TM)
  • Thunderbolt (Light Peak)
  • V-by-One®
  • LVDS-Schnittstellen
  • Unterhaltungselektronik, mobile und tragbare Elektronikgeräte
  • Tablet-PC und externer Speicher mit Hochgeschwindigkeits-Schnittstellen

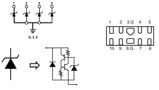
Funktionales Blockdiagramm

Blockdiagramm - Littelfuse SP3420 TVS-Diodenarray
Veröffentlichungsdatum: 2019-09-30 | Aktualisiert: 2023-05-11