M5Stack U169 ENV Pro Unit
M5Stack U169 ENV Pro Unit uses the BME688 sensor to support Volatile Organic Compounds (VOCs), temperature, humidity, Indoor Air Quality (IAQ), and atmospheric pressure measurements. This unit operates from 300hPa to 1100hPa pressure range, -40°C to 125°C temperature range, and 0% to 100% humidity range. The U169 ENV pro unit features an I2C communication interface and is resistant to humidity, cold, dryness, and heat in extreme conditions. This unit offers low power consumption and sensitivity with a detection range of parts per billion (ppb) level.The U169 ENV pro unit can be trained with the BME AI-Studio tool for applications such as home appliances, IoT products, or smart homes. This unit includes a ENV Pro unit and a 20cm grove cable. The U169 unit is ideal for weather stations, indoor environmental monitoring, and air quality detection applications.
Features
- Highly integrated sensors
- I2C Communication
- Compact size
- High precision and low power consumption
- Functions in dry, humidity, cold, and heat conditions
- Real-time monitoring
- 300hPa to 1100hPa operating pressure range
- -40°C to 125°C operating temperature range
- 0% to 100% operating humidity range
- Multi-platform programming Arduino UIFlow
Applications
- Indoor and outdoor air quality measurement
- IoT products
- Smart home
- Detect leaks or fires
- Agricultural temperature and humidity detection
Kit Contents
- 1x ENV Pro unit
- 1x Grove cable (20cm)
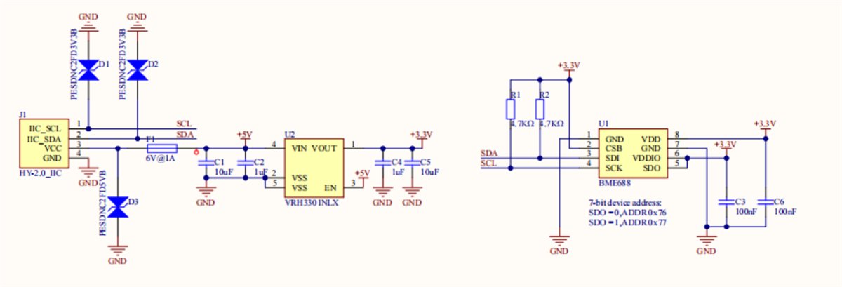
Schematic Diagram
Overview
Veröffentlichungsdatum: 2023-12-15
| Aktualisiert: 2024-01-11
