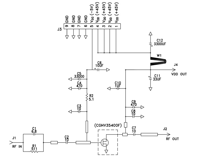
MACOM CGHV35400F1-AMP Evaluierungsboard
Das Evaluierungsboard CGHV35400F1-AMP von MACOM wurde entwickelt, um den CGHV35400F mit 400 W (2,9 GHz bis 3,5 GHz) und 50 Ohm I/O Matched GaN HEMT für S-Band-Radarverstärkerapplikationen zu testen. Der CGHV35400F bietet einen hohen Wirkungsgrad, eine hohe Verstärkung und große Bandbreitenfähigkeiten.Das CGHV35400F1-AMP Evaluierungsboard von Wolfspeed wird mit eingebautem CGHV35400F HEMT geliefert.
Merkmale
- Betrieb: 2,9 GHz bis 3,5 GHz
- Ausgangsleistung: 500 W (typisch)
- Leistungsverstärkung: 11 dB
- Drain-Wirkungsgrad: 70 % (typisch)
- 50 Ω intern abgestimmt
- Impuls-Amplitudenabfall: <0,3 dB
Applikations-Schaltung
Veröffentlichungsdatum: 2021-09-12
| Aktualisiert: 2024-01-17
