MACOM CMPA1C1D080F-AMP Evaluierungsboard

Das CMPA1C1D080F-AMP Evaluierungsboard von Wolfspeed ermöglicht Benutzern die Evaluierung des CMPA1C1D080F Leistungsverstärkers. Der CMPA1C1D080F 90-W-GaN-MMIC-Leistungsverstärker mit 12,75 GHz bis 13,25 GHz nutzt den leistungsstarken 0,25-um-GaN von Cree im SiC-Produktionsprozess. Der HPA wird in einem verschraubten Flanschgehäuse angeboten, das ein außergewöhnliches Wärmemanagement bietet.

Das CMPA1C1D080F-AMP Evaluierungsboard von Wolfspeed wird mit dem installierten CMPA1C1D080F Verstärker geliefert.

Merkmale

  • PSAT: 90 W (typisch)
  • Leistungswirkungsgrad von >21 % (typisch)
  • 25 dB Small Signal Gain
  • 20 W Ausgangsleistung insgesamt bei -30 dBc IM3
  • Betrieb bis zu 40V

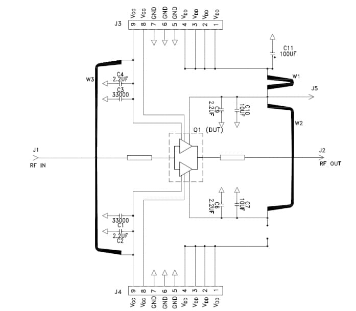
Applikations-Schaltung

Schaltplan - MACOM CMPA1C1D080F-AMP Evaluierungsboard
Veröffentlichungsdatum: 2021-09-10 | Aktualisiert: 2024-01-17