MACOM CMPA601J025F Leistungsverstärker

Der CMPA601J025F Leistungsverstärker von Wolfspeed ist ein 25W gehäuster   monolithisch mikrowellenintegrierter Schaltkreis (MMIC) Treiber-Hochleistungsverstärker (HPA), der in einem hochleistungsfähigen 0,15 μ m GaN auf SiC Produktionsprozess entwickelt wurde. Dieser Verstärker bietet hervorragende Breitband- und HF-Leistung, Wärmemanagement und einen Wirkungsgrad von 20 % bei CW-Betrieb. Der Verstärker CMPA601J025F arbeitet im Frequenzbereich von 6GHz bis 18GHz und bei einer Spannung von 28V. Dieser Verstärker wird in der elektronischen Wohlfahrt, in der Testinstrumentierung, im Radar und in Breitbandverstärkeranwendungen eingesetzt.

Merkmale

  • 0.15μm GaN auf SiC-Technologie
  • Gesättigte 25 W-Ausgangsleistung
  • 20dB große Signalverstärkung
  • 20% zusätzlicher Wirkungsgrad bei CW-Betrieb
  • 6 GHz bis 18 GHz Betriebsfrequenzbereich
  • 28 V Betriebsspannung
  • Hervorragende HF-Leistung und Wärmemanagement
  • Flansch-Gehäuseausführung

Applikationen

  • Elektronische Wohlfahrt
  • Test-Instrumente
  • Radar
  • Breitband-Verstärker

Funktionales Blockdiagramm

Blockdiagramm - MACOM CMPA601J025F Leistungsverstärker

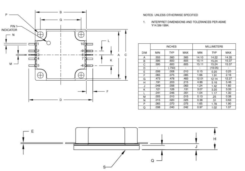
Technische Zeichnung

Technische Zeichnung - MACOM CMPA601J025F Leistungsverstärker
Veröffentlichungsdatum: 2023-07-31 | Aktualisiert: 2024-12-04