MEAN WELL CSP-3000 Netzteil mit Einfachausgang
Das MEAN WELL CSP-3000 Netzteil mit Einfachausgang bietet einen AC-Eingangsbereich von 180 bis 264 VAC, einen Wirkungsgrad von bis zu 93 % und eine eingebaute PFC-Funktion. Das CSP-3000 Netzteil verfügt über eine Zwangsluftkühlung über eingebaute DC-Lüfter, eine eingebaute EIN-/AUS-Fernsteuerung und einen Kurzschluss-, Überspannungs-, Übertemperatur- und Lüfterausfall-Schutz. Das MEAN WELL CSP-3000 Netzteil mit Einfachausgang eignet sich ausgezeichnet für UV-Aushärteanlagen, Fischlampen, Einbrennanlagen und Fabriksteuerungs- oder Automatisierungsapparate.Merkmale
- Eingangsbereich: 180 bis 264 VAC
- Eingebaute aktive PFC-Funktion
- Hoher Wirkungsgrad von bis zu 93 %
- Zwangsluftkühlung durch eingebaute DC-Lüfter
- Programmierbare Ausgangsspannung und Strom
- Aktive Stromteilung von bis zu 7.200 W
- Eingebaute EIN/AUS-Fernsteuerung
- Schutz gegen Kurzschluss/Überlast/Überspannung/Übertemperatur und Lüfterausfall
- Optionale Schutzbeschichtung
Applikationen
- Fabriksteuerungs- oder Automatisierungsapparate
- Prüf- und Messgeräte
- Laseranlagen
- UV-Aushärteanlagen
- Fischlampen
- Einbrennanlagen
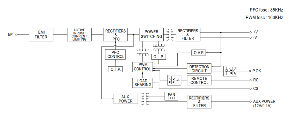
Blockdiagramm
Veröffentlichungsdatum: 2019-04-10
| Aktualisiert: 2024-09-04
