MEAN WELL DBR/DBU-3200 Akkuladegeräte
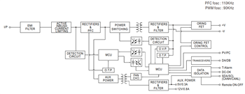
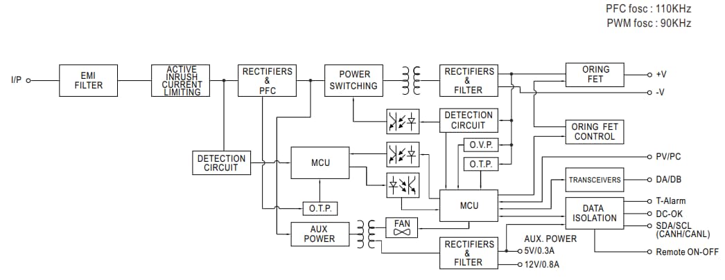
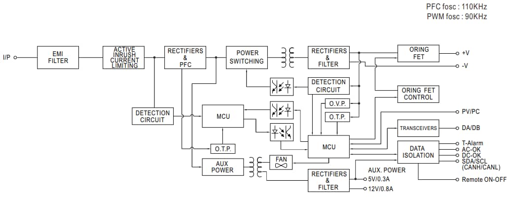
Die Akkuladegeräte DBR/DBU-3200 von MEAN WELL sind 3,2kW-AC/DC-Smart-Ladegeräte mit Einfachausgang des Rack-Typs/gekapselten Typs. Diese Ladegeräte weisen ein niedriges 1U-Profil auf und bieten eine hohe Leistungsdichte von bis zu 37 W/Zoll3 (37 W pro Kubikzoll). Die DBR/DBU-3200 Akkuladegeräte sind komplett digitalisiert und verfügen über vorinstallierte programmierbare Ladekurven für unterschiedliche Arten von Blei-Säure- und Lithium-Ionen-Batterien. Dieser Ladegeräte bieten Designflexibilität mit eingebauten Funktionen wie dreistufige programmierbare Ladekurve, einen programmierbaren Ausgang (PV und PC), aktive Stromteilung und Ein-/Ausschalt-Fernsteuerung.Die DBR/DBU-3200 Akkuladegeräte enthalten eine Ausgangs-programmierbare Funktion. Diese Funktion erlaubt es den Benutzern die Ladespannung und den Ladestrom über ein eingebautes Potentiometer oder ein Leistungsmanagement-Bus-Protokoll (PMBus) anzupassen. Die DBR/DBU-3200 Akkuladegeräte verfügen außerdem über verschiedene Schutzmechanismen und Temperaturausgleichsfunktionen für einen normalen und sicheren Systembetrieb. Diese Ladegeräte enthalten zudem eine Hilfsspannung und eingebaute O-Ring-FETs zur Unterstützung von Hot-Swap (DBR-3200). Die DBR/DBU-3200 Akkuladegeräte finden ihre Anwendung in der Industrieautomatisierung, in Telekommunikationsausrüstungen, Akkulade-Ausrüstungen und Ladestationen für Elektrofahrzeuge (EV).
Merkmale
- 37 W/inl3 Hochleistungsdichte
- 3,2 kW Einfachausgang
- Ladegeräte des Rack-Typs oder gekapselten Typs
- Ladegerät für:
- Blei-Säure-Batterien (Gel, geflutet und AGM)
- Lithium-Ionen-Batterien (Lithium-Ionen und Lithium-Mangan)
- Eingebaute 3-stufige Standard-Ladekurve und programmierbare Kurve
- Eingebaute I2C-Schnittstelle und PMBus-Protokoll
- 1U-Profil mit Abmessungen von 325,8 mm x 107 mm x 41 mm
- Universal-AC-Eingang/voller Bereich
- Integrierter aktiver Leistungsfaktorkorrekturfilter (PFC)
- Forcierte Belüftung durch eingebauten wärmegeregelten DC-Lüfter
- Programmierbare Ausgangsspannung und Ausgangsstrom
- Integrierter O-Ring-FET
- Aktive Stromteilung bis zu 6.400 W (1+1)
- Schutzfunktionen:
- Batterie-Unterspannung
- Keine Verbindung der Batterie
- Kurzschluss
- Überspannung
- Überhitzungschutz
- Optionale Schutzbeschichtung
- UL/EN/IEC 62368-1 Sicherheitsstandard
- EN 55032/55024 EMC-Standard
Applikationen
- Industrieautomatisierung
- Telekommunikationsausstattung
- Batterieaufladung
- EV-Ladestationen
- Großangelegte DC-UPS- oder Notstromversorgungssysteme
- Schiffs-Ladegerätmodul
- Abwasseraufbereitungsanlage
- Elektrolyseanlage
Performance Graphs
