MEAN WELL NLDD-H und LDDS-H DC/DC-LED-Netzteile
MEAN WELL NLDD-H und LDDS-H DC/DC-LED-Netzteile sind LED-Treiber mit DC-Eingang, die für Beleuchtungssysteme von 48-VDC- oder 24-VDC-Applikationen oder mit Beleuchtungsprodukten für DC-Bus-Applikationen verwendet werden können. Die NLDD-H und LDDS-H DC/DC-LED-Netzteile von MEAN WELL verfügen über ein Abwärtsdesign, das eine Eingangsspannung von 48 VDC in einen Konstantstromausgang umwandelt und dann direkt LED-Module ansteuert. Mit einer großen Auswahl von Ausgangsströmen eignen sich diese Netzteile für die kommerzielle Schienenbeleuchtung oder Notlichtleuchten für Büroräume. Das NLDD-H bietet eine PIN- und Draht-Ausgangsverbindung, während das LDDS-H nur eine Drahtverbindung bietet. Diese Bauteile erfüllen die Beleuchtungsvorschriften EN61347/EAC TP TC 004 und EMC EN55015/EAC TP TC 020 und sind mit SELV (< 60 VDC) und Klasse III konform.Merkmale
- LDDS-H
- DC/DC-Abwärtswandler
- Konstantstromausgang: 250 mA bis 1.000 mA
- Großer Eingangsspannungsbereich: 12 VDC bis 56 VDC (48 V typisch)
- Großer LED-String-Durchlassausgangsspannungsbereich: 2 VDC bis 45 VDC
- Hoher Wirkungsgrad von bis zu 96 %
- Integrierter EMI-Filter, entspricht EN55015
- 3-in-1-Verdunkelung und EIN/AUS-Fernsteuerung
- Kurzschluss-Sicherung/Übertemperaturschutz/Überstromschutz
- Kühlung über freie Luftströmung
- Kompakte Größe und vollständig gekapselt
- Eignet sich für den Antrieb von Beleuchtungs-LEDs
- Fünf Jahre Garantie
- NLDD-H
- DC/DC-Abwärtswandler
- Konstantstromausgang: 350 mA bis 1.400 mA
- Großer Eingangsspannungsbereich: 10 VDC bis 56 VDC (59 VDC max.)
- Großer LED-Durchlassausgangsspannungsbereich: 6 VDC bis 52 VDC
- Hoher Wirkungsgrad von bis zu 96 %
- Erfüllt die Anforderungen gemäß EN61347 und EN55015 Verordnungen
- Integrierte PWM- und EIN/AUS-Fernsteuerung
- Kurzschluss-Sicherung/Übertemperaturschutz
- Kühlung über freie Luftströmung
- Vollständig gekapselt und kompakte Größe
- Eignet sich für die Ansteuerung von Beleuchtungs-LEDs
- Drei Jahre Garantie
Applikationen
- LDDS-H
- DC-Batteriequellenbeleuchtung
- Tragbare Beleuchtungen
- Kommerzielle Beleuchtung
- 48-V-DC-Schienenbeleuchtung
- 24-V-DC-Landschaftsbeleuchtung
- STUCCHI Schienenadapter
- Applikationen der Klasse III (SELV)
- NLDD-H
- DC-Batteriequellenbeleuchtung
- Tragbare Beleuchtungen
- Kommerzielle Beleuchtung
- 48-V-DC-Schienenbeleuchtung
- 24-V-DC-Landschaftsbeleuchtung
- Applikationen der Klasse III (SELV)
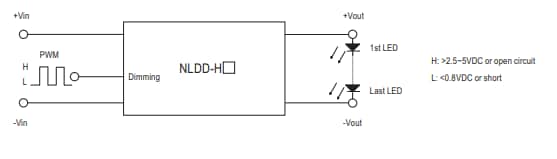
NLDD-H Standardapplikation
LDDS-H Standardapplikation
Veröffentlichungsdatum: 2021-03-01
| Aktualisiert: 2022-03-11
