MEAN WELL NMP Konfigurierbare intelligente Netzteile
Die NMP konfigurierbaren intelligenten modularen Netzteile von Mean Well ermöglichen Benutzern die Konfiguration und Anpassung der Einheiten an ihre Anforderungen. Ein unabhängiger Ausgangsmodul-Steckplatz und ein extrem großer Ausgangsspannungsbereich ermöglichen dem Benutzer, die Ausgangsspannung, den Strom und die Wattleistung entsprechend seinen Anforderungen einzustellen und zu ändern. Die NMP-Baureihe ist sowohl nach den medizinischen Sicherheitsvorschriften 60601-1 als auch den IT-Industrieregeln 62368-1 zertifiziert. Diese 650/1200W-Netzteile sind mit intelligenten Steuerfunktionen ausgestattet, wie z. B. ein ferngesteuertes Ein-/Ausschalten (eines Bereichs oder des gesamten Systems) und ein 5-V-Aux-Ausgang für die Ansteuerung von Bauteilen. Das NMD-240 Modul arbeitet bei einem dualen 240 W DC/DC-Ausgang und verfügt über zwei Fernsteuerungssignale. Der zweifarbige Ausgangssteckverbinder dieser Module zeigt die Polarität der Ausgangsspannungen an. Die NMP intelligenten modularen feldkonfigurierbaren/Eigenbau-Netzteile von MEAN WELL bieten Flexibilität für verschiedene Arten von Applikationen, einschließlich medizinische Ausrüstung, Fabrikautomatisierung und Lasergeräte.Merkmale
- Medizinische (2x MOPP) und ITE dual-Sicherheitszulassung
- Geeignet für BF-Applikationen (Body Floating, BF) mit entsprechender Systemberücksichtigung (Berührungsstrom 100 μA/264 VAC)
- Niedriges 1U-Profil
- Universal-AC-Eingang (voller Bereich)
- Programmierbare Ausgangsspannung und Ausgangsstrom
- Integrierte Parallel-Funktion
- Ausgangs-programmierbar
- Globale Aktivierung
- Das NMD-240 Modul wird bei einem DC/DC-Dual-Ausgangsmodul von 240 W betrieben
- Die Ausgangsspannung von zwei Kanälen ist über separate SVRs einstellbar
- Zwei Sätze von Fernsteuerungssignalen
- Lokale EIN-/AUS-Fernsteuerung
- DC-Hilfsspannungsausgang
- Übertemperaturalarm
- DC-OK
- Kühlung durch thermostatisch gesteuerten Lüfter mit Lüfter-Alarmfunktion
- Kurzschluss-, Überlast-, Überspannungs- und Übertemperaturschutz für alle Ausgangsmodule
- 5 Jahre Garantie
Applikationen
- Medizinische Geräte
- Anlagen für Diagnose oder biologische Behandlungen
- MRT-, CT- und PET-Scanner
- Prüf- oder Messsysteme
- Telekommunikationsanlagen
- Fabrik- und Alterungsanlagen
- Lasergeräte
Videos
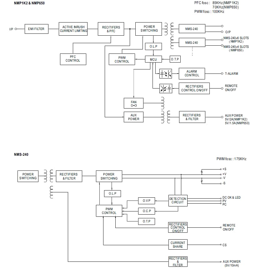
Blockdiagramm
Weitere Ressourcen
Veröffentlichungsdatum: 2020-02-17
| Aktualisiert: 2025-11-13
