MEAN WELL NTS-250P/400P DC/AC-Wechselrichter
MEAN WELL NTS-250P/400P DC/AC-Wechselrichter verfügen über ein vollständig digitales MCU-Design mit Schwerpunkt auf Miniaturisierung, hohem Wirkungsgrad und Intelligenz. Das lüfterlose Design der Wechselrichter ermöglicht einen leisen Betrieb und reduziert die Staubansammlung. Diese Wechselrichter verfügen über einen reinen Sinuswellen-Ausgang, verbessern die Zuverlässigkeit und bieten eine optimierte Steuerschaltung, die schnell auf Umweltänderungen reagiert. Darüber hinaus bieten die NTS-250P/400P DC/AC-Wechselrichter eine einstellbare AC-Ausgangsspannung und -Frequenz und werden in einem Temperaturbereich von -20 °C bis +70 °C betrieben. Zu den typischen Applikationen gehören mobile Geräte, Haushalts- und Bürogeräte, tragbare Ausrüstungen, Fahrzeuge und Yachten.Merkmale
- Kompakte Größe und niedriges Gewicht
- Reiner Sinuswellen-Ausgang
- Hohe Stromstoßbeständigkeit
- 500W (NTS-250P)
- 800W (NTS-400P)
- Lüfterloses Design und Kühlung über freie Strömungskühlung
- AC-Ausgangsspannung und -Frequenz wählbar über DIP S.W
- Maximale Nulllast-Dissipation im Standby-Stromsparmodus: < 1,5 W
- Großer Betriebstemperaturbereich von -20 °C bis +70 °C
- Ein-/Aus-Fernsteuerung
- Schutzfunktionen:
- Eingang:
- Umpolung, Alarm bei niedrigem DC, Abschaltung bei niedrigem DC und Überspannung
- Ausgang:
- Kurzschluss, Überlast und Übertemperatur
- Eingang:
- Batterie-Überladungsschutz
- Geeignet für Bleisäure- oder Li-Ionen-Batterien
- Unterstützung für Tx/Rx zur Überwachung des Wechselrichterstatus
- Konforme Beschichtung
Applikationen
- Mobilgeräte
- Haushalts- und Bürogeräte
- Tragbare Geräte
- Fahrzeug
- Yacht
- Netzunabhängige Solarstromanlage
- Drahtloses Netzwerk
- Telekommunikations- oder Datenkommunikationssystem
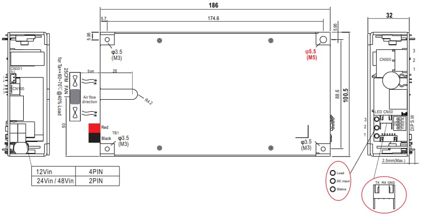
Mechanische Spezifikationen (mm)
Videos
View Results ( 12 ) Page
| Teilnummer | Datenblatt | Beschreibung | Ausgangsspannung | Ausgangsleistung |
|---|---|---|---|---|
| NTS-250P-224 | ![]() |
Leistungsinverter 250W 230VAC 24V 13A DC-AC Power Inverter | 230 VAC | 250 W |
| NTS-250P-212 | ![]() |
Leistungsinverter 250W 230VAC 12V 25A DC-AC Power Inverter | 230 VAC | 250 W |
| NTS-250P-248 | ![]() |
Leistungsinverter 250W 230VAC 48V 7A DC-AC Power Inverter | 230 VAC | 250 W |
| NTS-400P-224 | ![]() |
Leistungsinverter 400W 230VAC 24V 20A DC-AC Power Inverter | 230 VAC | 400 W |
| NTS-400P-248 | ![]() |
Leistungsinverter 400W 230VAC 48V 10A DC-AC Power Inverter | 230 VAC | 400 W |
| NTS-400P-212 | ![]() |
Leistungsinverter 400W 230VAC 12V 40A DC-AC Power Inverter | 230 VAC | 400 W |
| NTS-400P-112 | ![]() |
Leistungsinverter 400W 110VAC 12V 40A DC-AC Power Inverter | 110 VAC | 400 W |
| NTS-400P-148 | ![]() |
Leistungsinverter 400W 110VAC 48V 10A DC-AC Power Inverter | 110 VAC | 400 W |
| NTS-250P-112 | ![]() |
Leistungsinverter 250W 110VAC 12V 25A DC-AC Power Inverter | 110 VAC | 250 W |
| NTS-250P-148 | ![]() |
Leistungsinverter 250W 110VAC 48V 7A DC-AC Power Inverter | 110 VAC | 250 W |
Veröffentlichungsdatum: 2021-04-06
| Aktualisiert: 2022-10-17

