MEAN WELL HEP-1000 Schaltnetzteile
MEAN WELL HEP-1000 Schaltnetzteile sind 1.000-W-Industrie-AC/DC-Netzteile, die für den Betrieb in rauen Umgebungen mit sehr hoher Feuchtigkeit, Öl, Staub und hohen Vibrationen ausgelegt sind. Diese Netzteile verfügen über integrierte Ladekurven mit dreistufiger Programmierung auf der Ladegeräteseite für Konstantstrom, Konstantspannung und potentialfreie Ladefunktionen. Die HEP-1000 Netzteile bieten einen hohen Wirkungsgrad von bis zu 96 %, eine Vibrationsfestigkeit von 10 G und eine integrierte aktive PFC-Funktion. Diese Netzteile bestehen aus einem integrierten Ladegerät und sind mit dem PMBus-Kommunikationsprotokoll ausgestattet, wodurch eine nahtlose Integration in verschiedene High-End-Systeme ermöglicht wird. Die HEP-1000 Netzteile bieten eine Ausgangsspannungsleitung von 24 V, 48 V und 100 V und werden ohne Lüfter in einem Temperaturbereich von -40 °C bis 70 °C unter Luftströmung betrieben. Diese Netzteile erfüllen die internationalen Sicherheitsvorschriften wie TÜV EN62368-1 und UL62368-1. Zu den typischen Applikationen gehören Industrieautomatisierungsmaschinen, Industriesteuersysteme, elektronische Messgeräte und Haushaltsgeräte.The MEAN WELL HEP-1000 Switching Power Supplies comply with international safety regulations such as TUV EN62368-1 UL62368-1. Typical applications include industrial automation machinery, industrial control systems, electronic instruments, and household appliances.
Merkmale
- Integrierte aktive PFC-Funktion
- Hoher Wirkungsgrad von bis zu 96 %
- Lüfterloses Design:
- Kühlung über freie Luftströmung
- Aluminiumgehäuse und Vergussmasse mit wärmeleitendem Klebstoff
- Hält einem Vibrationstest von 10 G stand
- Großer Betriebsbereich: -40 ºC bis +70 ºC
- Ladegerät für:
- Blei-Säure-Batterien (Gel, geflutet und AGM)
- Lithium-Ionen-Batterien (Lithium-Eisen und Lithium-Mangan)
- Integrierte 3-stufige Standard-Ladekurven und programmierbare Kurve
- Integriertes PMBus-Protokoll (CANBus-Protokoll optional)
- Programmierbare Ausgangsspannungs- und Konstantstrompegel
- Schutzfunktionen: Kurzschluss/Überlast/Überspannung und Übertemperatur
- Integrierte EIN/AUS-Fernsteuerung
- Aktives DC-OK-Signal
- LED-Betriebsanzeige
- Optionaler Verdrahtungstyp mit IP67-Schutzart
Applikationen
- Industrieautomatisierungsmaschinen
- Industrie-Steuerungssystem
- Elektrische oder mechanische Ausrüstung
- Elektronische Instrumente, Ausrüstung oder Apparate
- Haushaltsgeräte
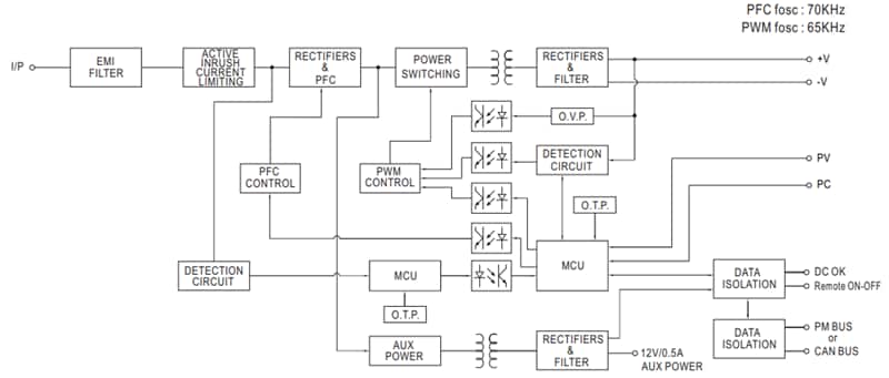
Blockdiagramm
Leistungsdiagramme
Additional Resources
Veröffentlichungsdatum: 2019-11-18
| Aktualisiert: 2023-09-08
