Microchip Technology MIC23156 Voltage Regulators
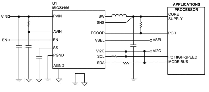
Microchip MIC23156 voltage regulators are high-efficiency 1.5A synchronous buck regulators with HyperLight Load® mode and dynamic voltage scaling control through I2C. HyperLight Load provides very high efficiency at light loads and ultra-fast transient response. The MIC23156 regulators come with the ability to dynamically change the output voltage and maintain high output voltage accuracy. These regulators employ the proprietary architecture that provides very low output ripple voltage throughout the entire load range with the use of small output capacitors. The MIC23156 voltage regulators provide an output voltage and chip enable/disable control from a standard I2C bus with clock rates of 100kHz, 400kHz, and 1MHz. The MIC23156 is available in both 16-ball, 0.4mm Pitch, 1.81mm x 1.71mm wafer level chip scale (WLCSP), and 17-pin 2.8mm x 2.5mm MLF packages.Features
- 2.7V to 5.5V input voltage
- Up to 1.5A output current
- ±1.5% high output voltage accuracy over temperature
- A fast pin-selectable output voltage
- Programmable soft-start using an external capacitor
- An ultra-low quiescent current of 30µA when not switching
- Thermal-shutdown and current-limit protection
- Safe startup into a pre-biased output
- Stable with 1µH output inductor and 2.2µF ceramic capacitor
- Up to 93% peak efficiency
- -40°C to +125°C junction temperature range
Applications
- Mobile handsets
- WiFi/WiMax/WiBro applications
- Solid-state drives (SSD)
- Portable applications
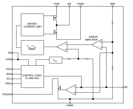
MIC23156 voltage regulators block diagram
mic23156 voltage regulators application circuit diagram
Veröffentlichungsdatum: 2013-11-07
| Aktualisiert: 2022-03-11
