Microchip Technology ADM00873 Evaluierungsboard
Das Microchip Technology ADM00873 Evaluierungsboard ist eine vollständig bestückte, programmierte und getestete Lösung zur Evaluierung und Demonstration des Betriebsverhaltens des MCP331x1. Der MCP331x1 ist ein Baseline-Einkanal-12-/14-/16-Bit-SAR-Analog-Digital-Wandler (ADC) mit 1 MS/s. Das ADM00873 Evaluierungsboard ist mit dem MCP331x1 Bauteil bestückt.Das ADM00873 Evaluierungsboard ist für den Betrieb mit dem Curiosity PIC32MZEF Development Board (DM320104) und der SAR-ADC-Utility-Software ausgelegt. Das Curiosity PIC32MZEF Development Board (DM320104) ist eine vollintegrierte 32-Bit-Entwicklungsplattform, die über den leistungsstarken PIC32MZ PIC®-Mikrocontroller der EF-Baureihe (PIC32MZ2048EFM100) verfügt. Das DM320104 wird für die Erfassung der digitalen Daten aus dem ADM00873 Evaluierungsboard verwendet.
Merkmale
- Vollständiger analoger Eingangsbereich: -VREF bis +VREF
- ADM00873 mit MCP33131D/21D/11d: –4 VPP bis +4 VPP
- Evaluierung der Leistungskennzahlen, wie zum Beispiel: SRV, SFDR INL, DNL und so weiter
- Dynamische Leistungsüberwachung
- Fähigkeit zum Speichern und laden von Softwarekonfigurationen
- Fähigkeit zum Speichern und Laden von Rohdaten für die Benutzer-Nachbearbeitung
Lieferumfang Kit
- 1 x ADM00873 SAR-ADC-Evaluierungsboard
- 1 x 9-V-Netzteil
Erforderliche Ausrüstung
- Curiosity PIC32MZEF Development Board (DM320104)
- Separat erhältlich
- Typ-A-Stecker-zu-Mikro-B-USB-Kabel
- Im Lieferumfang des Kits nicht enthalten
- Externer Signaleingang
- Wird vom Benutzer bereitgestellt
- SAR-ADC-Utility-Software
- Verfügbar auf der Website von Microchip
ADM00873 ist mit dem Curiosity PIC32MZEF Development Board verbunden
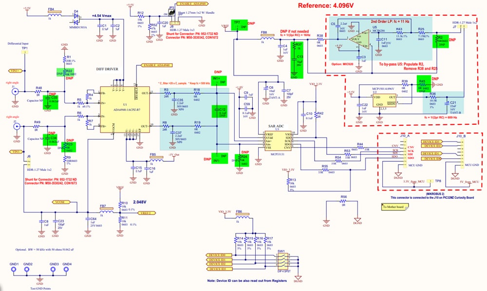
Schaltplan
Veröffentlichungsdatum: 2019-06-13
| Aktualisiert: 2023-06-02
