Microchip Technology ATECC608A DT100104 Trust-Development Board
Das Microchip ATECC608A DT100104 Trust-Development Board ist ein Add-on-Board zum DM320118. Das DT100104 Trust-Development Board enthält ATECC608A-TNGTLS (Trust&GO), ATECC608A-TFLXTLS (TrustFLEX) und TECC608A-MAHDA (TrustCUSTOM) Sicherheitselemente. Die ATECC608A Sicherheitselemente von Trust&GO, TrustFLEX und TrustCUSTOM ermöglichen die Entwicklung von Lösungen, die auf den Anforderungen der Applikation basieren.Das DT100104 Trust-Board unterstützt eine Stiftleiste von MikroElektronika, die mit einem beliebigen Board, das über eine mikroBUS-Verbindung verfügt, verbunden werden kann. Das DT100104 Board bietet einen Alternative zu Mustereinheiten, die ein Sockelboard für die anfängliche Entwicklung und Überprüfung erfordern.
Merkmale
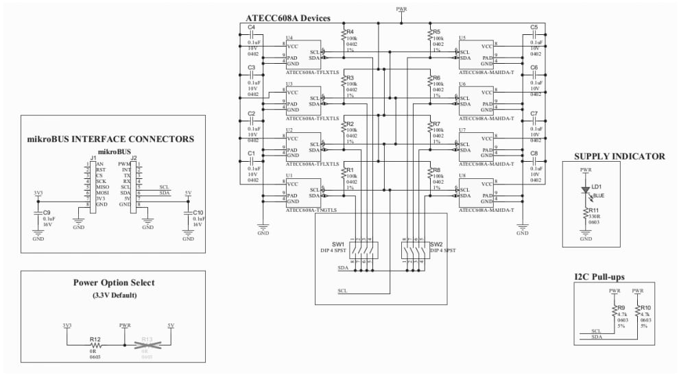
- Enthält 8 ATECC608A Sicherheitselemente
- 1 Trust&GO: ATECC608A-TNGTLS
- 3 TrustFLEX: ATECC608A-TFLXTLS
- 4 TrustCUSTOM: ATECC608A-MAHDA
- mikroBUS-Stiftleiste für die Verbindung zu beliebigen mikroBUS-Host-Stiftleisten
- Kann außerdem mithilfe des ATMBusAdapters mit beliebigen Xplained-Boards von Microchip verbunden werden
- DIP-Schalter zur Auswahl des erforderlichen sicheren Elements für Entwicklungszwecke
- Ermöglicht die Auswahl eines Bauteils jeder Ausführung (max. 3)
Videos
Vorder- und Rückseitenansicht
Verbindungen zu einer Xplained Pro Entwicklungsplattform
Schaltplan
DT100104 verbunden mit einem CryptoAuth-Trust-Platform-Development Board
Veröffentlichungsdatum: 2019-10-04
| Aktualisiert: 2025-07-28
