Microchip Technology ATmega256x 8-Bit-Mikrocontroller
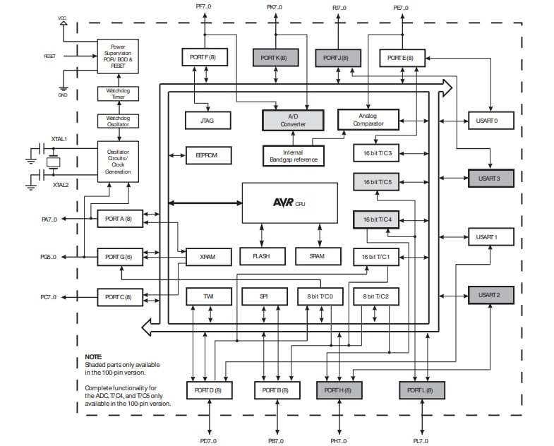
Microchip Technology ATmega256x 8-Bit-Mikrocontroller bieten eine hochflexible und kostengünstige Lösung für viele Embedded-Steuerungsapplikationen. Die AVR-Architektur des ATmega 8-Bit-Mikrocontrollers unterstützt eine vollständige Suite von Programm- und Development Tools, einschließlich C-Compiler, Macro-Assembler, Programm-Debugger/-Simulatoren, integrierte Emulatoren und Evaluierungskits.Der ATmega256x verfügt über einen im System programmierbaren Flash von 256 Kbytes mit Lese- und Schreib-Funktionen, 4 Kbytes EEPROM, 8 KBytes SRAM und 86 Universal-I/O-Leitungen. Darüber hinaus bietet das Bauteil 32 Universal-Arbeitsregister, einen Echtzeit-Zähler, sechs flexible Timer/Zähler mit Vergleichsmodi, PWM, vier USARTs, eine Byte-orientierte serielle Zweidraht-Schnittstelle, ein 10-Bit-16-Kanal-Analog-Digital-Wandler und einen JTAG-Schnittstelle für das On-Chip-Debugging.
Der ATmega256x hat einen Betriebsspannungsbereich von 1,8 bis 5,5 V mit einem Durchsatz von 16 MIPS bei 16 MHz. Durch die Ausführung der leistungsstarken Befehle in einem einzigen Taktzyklus und durch den Ausgleich des Stromverbrauchs und der Verarbeitungsgeschwindigkeit erzielt das Bauteil einen Durchsatz von nahezu 1 MIPS pro MHz.
Merkmale
- Leistungsstarker, stromsparender Atmel® AVR®-8-Bit-Mikrocontroller
- Industrietemperaturbereich: -40 °C bis 85 °C
- Extrem geringer Stromverbrauch
- Aktiver Modus: 1 MHz, 1,8 V: 500 µA
- Abschaltmodus: 0,1 µA bei 1,8 V
- Erweiterte RISC-Architektur
- 135 leistungsstarke Befehle mit überwiegend Einzeltaktzyklus-Ausführung
- 32 × 8 Universal-Arbeitsregister
- Vollständig statischer Betrieb
- Bis zu 16 MIPS Durchsatz bei 16 MHz
- Zweistufiger On-Chip-Multiplikator
- Nichtflüchtige Speichersegmente mit hoher Beständigkeit
- 64 K/128 K/256 Kbytes selbstprogrammierbarer In-System-Flash
- 4 Kbytes EEPROM
- 8 Kbytes interner SRAM
- Schreib-/Lösch-Zyklen: 10.000 Flash/100.000 EEPROM
- Datenhaltung: 20 Jahre bei 85 °C/100 Jahre bei 25 °C
- Optionaler Bootcode-Abschnitt mit unabhängigen Lock-Bits
- In-System-Programmierung von On-Chip-Boot-Programm
- Echter Read-While-Write-Betrieb
- Programmierungssperre für Software-Sicherheit
- Beständigkeit: bis zu 64 Kbytes optionaler externer Speicherplatz
- Atmel® QTouch®-Bibliothekunterstützung
- Kapazitive Touch-Schaltflächen, -Schieberegler und -Scheiben
- QTouch- und QMatrix-Akquisition
- Bis zu 64 Abtastkanäle
- JTAG-Schnittstelle (IEEE® 1149.1-Standard konform)
- Boundary-Scan-Funktionen gemäß JTAG-Standard
- Umfangreicher On-Chip-Debug-Support (OCDS)
- Programmierung von Flash, EEPROM, Sicherungen und Lock-Bits über die JTAG-Schnittstelle
- Peripherie-Merkmale
- Zwei 8-Bit-Timer/-Zähler mit getrenntem Pre-Scaler und Vergleichsmodus
- Vier 16-Bit-Timer/-Zähler mit getrenntem Pre-Scaler, Vergleichs- und Erfassungsmodus
- Echtzeit-Zähler mit getrenntem Oszillator
- Vier 8-Bit-PWM-Kanäle
- Sechs/zwölf PWM-Kanäle mit programmierbarer Auflösung von 2- bis 16-Bits (ATmega1281/2561, ATmega640/1280/2560)
- Ausgangsvergleich-Modulator
- 10-Bit-8-/16-Kanal-ADC (ATmega1281/2561, ATmega640/1280/2560)
- Zwei/vier programmierbare serielle USART (ATmega1281/2561, ATmega640/1280/2560)
- Serielle Master-/Slave-SPI-Schnittstelle
- Byte-orientierte serielle Zweidraht-Schnittstelle
- Programmierbarer Watchdog-Timer mit separatem On-Chip-Oszillator
- On-Chip-Analog-Komparator
- Unterbrechung und Aktivierung bei Pinänderung
- Besondere Mikrocontroller-Merkmale
- Power-on-Reset- und programmierbarer Spannungseinbruch-Detektor
- Interner kalibrierter RC-Oszillator
- Externe und interne Unterbrechungsquellen
- Sechs Schlafmodi: Leerlauf, ADC-Rauschunterdrückung, Stromsparen und Abschalten, Standby und erweitertes Standby
- I/O und Gehäuse
- 54/86 programmierbare I/O-Leitungen (ATmega1281/2561, ATmega640/1280/2560)
- 64-Pad-QFN/MLF, 64-Pin-TQFP (Atmega1281/2561)
- 100-Pin-TQFP, 100-Ball-CBGA (ATmega640/1280/2560)
- RoHS/vollständig umweltfreundlich
- Geschwindigkeitsgrad:
- ATmega640V/ATmega1280V/ATmega1281V: 0 bis 4 MHz bei 1,8 V bis 5,5 V, 0 bis 8 MHz bei 2,7 V bis 5,5 V
- ATmega2560V/ATmega2561V: 0 bis 2 MHz bei 1,8 V bis 5,5 V, 0 bis 8 MHz bei 2,7 V bis 5,5 V
- ATmega640/ATmega1280/ATmega1281: 0 bis 8 MHz bei 2,7 V bis 5,5 V, 0 bis 16 MHz bei 4,5 V bis 5,5 V
- ATmega2560/ATmega2561: 0 bis 16 MHz bei 4,5 V bis 5,5 V
Applikationen
- Embedded-Steuerung
- Leistungsregelung
- Gleichrichtung
- DAC
- Motorsteuerung
Mehr über
Blockdiagramm
Architekturübersicht
