Microchip Technology HV96001 LED-Controller
Die LED-Controller HV96001 von Microchip Technology sind flimmerfreie LED-Controller und verbesserten (digitalen) PWM-Dimm- und analogen Dimmfähigkeiten. Diese LED-Treiber sind für Offline-Beleuchtungsanwendungen konzipiert, die eine breite Dimmfähigkeit erfordern. Durch Anpassung der Ausgangsspannung der AC-DC-Wandlerstufe sorgen die LED-Controller HV96001 für eine hohe Umwandlungseffizienz über einen breiten LED-Lastspannungsbereich. Diese LED-Controller sind auch in der Lage, die LED-Stromamplitude präzise zu steuern, wodurch eine konsistente Farbtemperatur erreicht wird. Die LED-Controller HV96001 verfügen über zwei Feedback-Regler, darunter einen Aufwärtsregler zur Steuerung der LED-Stromamplitude und einen Sperrwandler zur Steuerung der Flyback-Ausgangsspannung. Die LED-Controller HV96001 bieten eine Fehlerwiederherstellung mit automatischer Wiederholungsverzögerung, die über einen Timing-Kondensator eingestellt wird, sowie eine Kurzschlusssicherung des Ausgangs mit automatischer Wiederholungsverzögerung. Diese LED-Controller von Microchip Technology eignen sich hervorragend für den Einsatz in Offline-LED-Beleuchtungsanwendungen mit einer breiten Palette von PWM-Dimmen und linearem Dimmen.Merkmale
- Breiter Eingangsspannungsbereich: 8 V bis 60 V
- Lineare (Analog)-Verdunkelung:
- Mit einer großen Auswahl an Amplitudensteuerungen des LED-Stroms
- (Digitales) Pulsweitenmodulations(PWM)-Dimmen
- Dimmt bis zu 0,01 % und weniger
- Mit PWM-Pulsbreite von weniger als 150 ns
- PWM-Dimmfrequenz von bis zu 20 kHz
- Sperrwandler
- Mit automatischer Anpassung der Ausgangsspannung zur Aufrechterhaltung einer hohen Systemeffizienz
- Aufwärtswandler
- Breite Ausgangsspannungswelligkeit von nahezu Null für einen LED-Strom ohne Welligkeit
- Welligkeitsunterdrückung 100 Hz/120 Hz
- 200 kHz feste Schaltfrequenz
- VDD -Regler
- 60 V Eingangsspannung/5 V Ausgangsspannung
- 10-mA-Antrieb für die Versorgung von externen Lasten
- Fehlerwiederherstellung mit automatischer Wiederholungsverzögerung durch Timing-Kondensator
- Unterspannungserkennung von
- VDD -Spannung
- Versorgungsspannung (Flyback-Ausgangsspannung)
- Überspannungserkennung von
- LED-Lastspannung (Aufwärtsausgangsspannung)
- Überstromerkennung von
- Lastschalterstrom
- Bei Null-bleibende Erkennung von:
- DIM-Eingangssignal
- Kurzschluss-Sicherung des Ausgangs mit automatischer Wiederholungsverzögerung
Applikationen
- Offline-LED-Beleuchtungsapplikationen mit einem großen Bereich für die PWM- und Linear-Verdunkelung
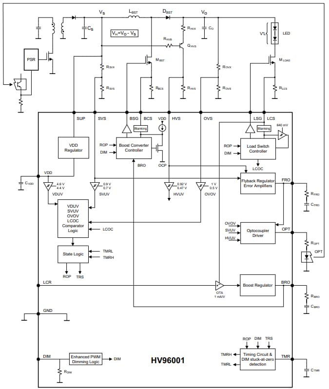
Blockdiagramm
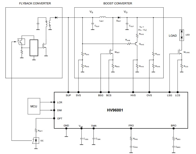
Typische Applikations-Schaltung
Veröffentlichungsdatum: 2020-01-21
| Aktualisiert: 2024-07-09
