Microchip Technology MCPF1412 Schalt-Abwärtsreglermodul von 16 V, 12 A

Microchip Technology MCPF1412 Schalt-Abwärtsreglermodul von 16 V, 12 A ist ein vollständig integriertes Punktlast- Leistungsmodul von 12 A mit einem Abwärtswandler von 16 A. Dieses Modul unterstützt I2C- und PmBus™-Schnittstellen und ist auf eine hervorragende Leistung, Zuverlässigkeit, effiziente Leistungsumwandlung und einen reduzierten Energieverlust ausgelegt. Das vielseitige MCPF1412 Bauteil bietet eine erhebliche Flexibilität für die Konfiguration und die Systemüberwachung und unterstützt den eigenständigen Betrieb ohne Digitalschnittstelle. Dadurch können Designer Ausgangsspannungen mithilfe einfacher Widerstandsteilereinstellungen konfigurieren und das System über den Power-Good-Ausgang überwachen.

Zu den zusätzlichen Funktionen gehören mehrere Diagnosefunktionen, darunter Übertemperatur-, Überstrom- und Überspannungsschutz. Zu den Spezifikationen gehören ein Eingangsspannungsbereich von 5,5 V bis 70 V, ein Betriebstemperaturbereich von -40 °C bis +125 °C und ein Land-Grid-Array/LGA)-Gehäuse. Das MCPF1412 Modul vonMicrochip Technology verfügt über einen kompakten Formfaktor mit Abmessungen von 5,8 mm x 4,9 mm x 1,6 mm und eignet sich daher für Server, Router, Basisstationen, PoL-Wandlung mit hoher Leistungsdichte und Telekommunikationsanlagen.

Merkmale

  • PoL-Modul mit Ausgangsinduktivität enthalten
  • Ununterbrochene Lastkapazität von 12 A
  • Keine externe Kompensation erforderlich
  • Programmierbarer Betrieb mit I2C und PMBus
  • Freigabe-Eingang, programmierbare Unterspannungssperren(UVLO)-Schaltung
  • Power-Good-Anzeige
  • Integrierter Schutz

Applikationen

  • Server
  • Workstations
  • Cloud-Computerbranche
  • PoL-Umwandlung mit hoher Leistungsdichte
  • Router
  • Schalter
  • Telekommunikationsausstattung
  • Basisstationen
  • Leistungslösungen für Rechenzentren

Technische Daten

  • Abmessungen: 5,8 mm x 4,9 mm x 1,6 mm
  • Einstellbarer Ausgangsspannungsbereich: 0,6 V bis 1,8 V
  • -40 °C bis +125 °C Betriebstemperaturbereich
  • Bleifrei und Halogenfrei
  • Konform mit EU REACH und RoHS

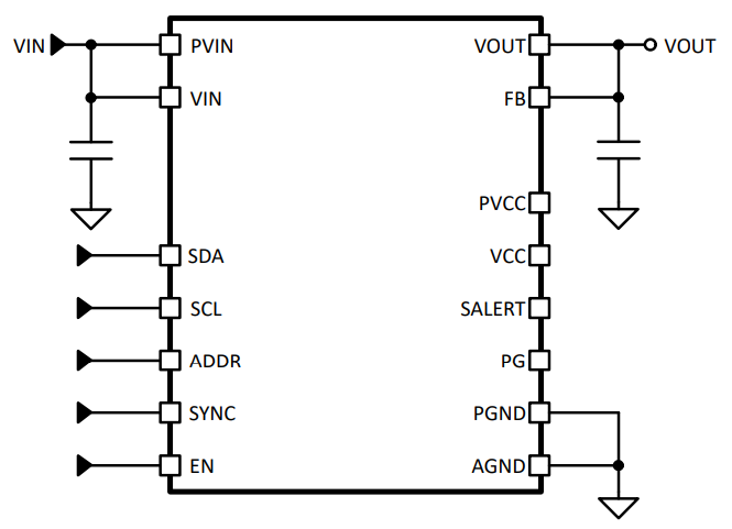
Typische Applikation

Applikations-Schaltungsdiagramm - Microchip Technology MCPF1412 Schalt-Abwärtsreglermodul von 16 V, 12 A

Blockdiagramm

Blockdiagramm - Microchip Technology MCPF1412 Schalt-Abwärtsreglermodul von 16 V, 12 A
Veröffentlichungsdatum: 2025-04-28 | Aktualisiert: 2025-08-29