Microchip Technology PIC18FxQ10 Hochleistungs-MCUs

Microchip Technology PIC18FxxQ10 Hochleistungs-MCUs sind mit analoger, Core-unabhängiger und Kommunikations-Peripherie für verschiedene stromsparende und Universal-Applikationen ausgelegt. Diese PIC18FxQ10 MCUs verfügen über einen 10-Bit-ADC mit Berechnung (ADC2), Mittelung, Filterung und automatisierten kapazitiven Spannungsteiler-Techniken (CVD) für eine fortschrittliche Berührungserkennung und Überabtastung. Zu den verschiedenen Core-unabhängigen Peripherien gehören ein Watchdog-Timer mit Fenster (WWDT), ein komplementärer Wellenformgenerator (CWG), eine Nulldurchgangserkennung (ZCD) und eine Peripheriepinauswahl (PPS).

Die PIC18FxQ10 MCUs lassen sich mit dem Power-on-Reset (POR), Brown-out-Reset (BOR), stromsparenden Brown-out-Reset (LPBOR), Stapel-Überlauf, oder Stapel-Unterlauf einfach zurücksetzen. Diese PIC18FxQ10 MCUs sind in der Lage, ein In-Circuit Serial Programming™ (ICSP™) über zwei Pins und ein In-Circuit Debug (ICD) mit drei Breakpoints über zwei Pins auszuführen. Der WWDT akzeptiert die CLRWDT-Anweisung zur Wiederherstellung des Systems nach unerwarteten Ereignissen nur dann, wenn sie innerhalb eines bestimmten Fensters während der Zeitbegrenzung ausgeführt wird. Das Oszillator-Modul mit ausfallsicherem Taktwächter (FSCM) verfügt über mehrere Auswahlfunktionen und Taktquellen, die zur Reduzierung des Stromverbrauchs und Optimierung des Betriebsverhaltens beitragen.

Merkmale

  • C-Compiler-optimierte RISC-Architektur
  • Vier 16-Bit-Timer
  • Stromsparendes Power-On Reset (POR)
  • Power-up-Timer (PWRT)
  • Spannungsabfall-Reset (Brown-Out Reset (BOR))
  • Stromsparende BOR-Option (LPBOR)
  • Watchdog-Timer mit Fenster (WWDT)
  • PIC18F24/45/25Q10:
    • Bis zu 32 KB Flash-Programmspeicher
    • Bis zu 2.048 B SRAM-Datenspeicher
    • 256 B Daten-EEPROM
  • PIC18F26/46Q10:
    • Bis zu 64 KB Flash-Programmspeicher 
    • Bis zu 3.615 B SRAM-Datenspeicher
    • Bis zu 1.024 B Daten-EEPROM
  • Betriebsspannungsbereich: 1,8 V bis 5,5 V
  • Interner Hochpräzisions-Oszillatorblock (HFINTOSC)
  • Interner stromsparender 32kHz-Oszillator (LFINTOSC)
  • Externer 32kHz-Quarzoszillator
  • Ausfallsicherer Taktwächter (FSCM)
  • Analoge Peripherie:
    • 10-Bit-ADC mit Berechnung (ADC2)
    • Hardware-kapazitiver Spannungsteiler (CVD)
    • Nulldurchgangserkennung (ZCD)
    • 5-Bit-Digital-Analog-Wandler (DAC)
    • Zwei Komparatoren (CMP)
    • Festgelegtes Spannungsreferenzmodul (FVR)
  • Digitale Peripherie:
    • Komplimentärer Wellenformgenerator (CWG)
    • Capture-/Compare-/PWM-Module (CCPs)
    • 10-Bit-Pulsweitenmodulatoren (PWM)
    • Programmierbare CRC mit Speicherscan
    • Peripherie-Pinauswahl (PPS)
    • Datensignalmodulator (DSM)

MPLAB® Xpress Cloud-basierte IDE

Microchip Technology PIC18FxQ10 Hochleistungs-MCUs

Die MPLAB® Xpress Cloud-basierte IDE ist eine Online-Entwicklungsumgebung, welche die gängigsten Funktionen der preisgekrönten MPLAB X IDE enthält. Diese vereinfachte und auf das Wesentliche reduzierte Applikation ist eine zuverlässige Wiedergabe des Desktop-basierten Programms, das einen einfachen Übergang zwischen den beiden Umgebungen ermöglicht.

MPLAB Xpress ist ein perfekter Ausgangspunkt für neue Benutzer von PIC®-Mikrocontrollern (MCUs) - keine Downloads, keine Maschinenkonfiguration und keine Wartezeit für den Einstieg in die Systementwicklung. 

MPLAB Xpress

MPLAB Xpress Codebeispiele für PIC18FxQ10 MCU

Videos

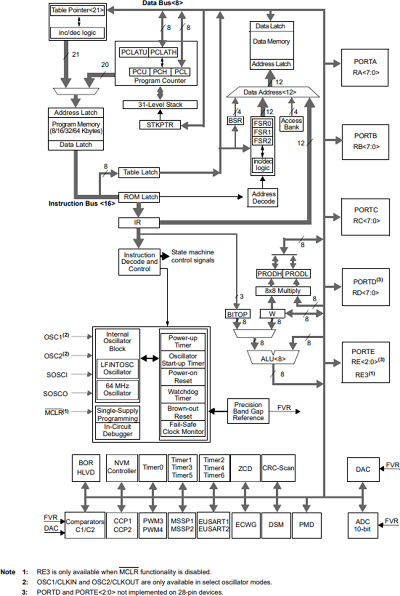
PIC18FxQ10 MCUs Blockdiagramme

Blockdiagramm - Microchip Technology PIC18FxQ10 Hochleistungs-MCUs
Veröffentlichungsdatum: 2018-08-20 | Aktualisiert: 2025-06-13