Microchip Technology PIC32CZ CA80/CA90 Mikrocontroller

Die PIC32CZ CA80/CA90-Mikrocontroller von Microchip Technology sind 32-Bit-Hochleistungs-MCUs, die auf einem ARM Cortex® -M7-Prozessor basieren. Diese Mikrocontroller bieten bis zu 8 MB Flash und 1 MB SRAM. Die CA80/CA90 MCUs bieten eine große Auswahl von Konnektivitätsoptionen, darunter Hochgeschwindigkeits-USB, CAN FD, SQI, SDHC, I2S™, Media LB™-Bus, EBI und SERCOM. Die MCUs verfügen über eine Speicherschutzeinheit (MPU), eine Taktausfallerkennung mit einem ausfallsicheren internen RC-Oszillator und einen Schreibschutz auf einigen Peripheriegeräten. Die PIC32CZ CA80/CA90-MCUs sind in 100-Pin-, 144-Pin-, 176-Pin- und 208-Pin-TQFP- und BGA-Gehäusen verfügbar.

Die PIC32CZ CA90-MCUs verfügen über ein integriertes Hardware-Sicherheitsmodul (HSM) für die Entwicklung sicherer Applikationen. Das HSM bietet die gesamte kryptografische hardware-Beschleunigung, Schlüsselspeicherung und Hardwarezufallszahlengenerator (TRNG) für die Implementierung von Sicherheitsfunktionen, wie z. B. sicheres Booten, TLS und Verschlüsselung/Entschlüsselung. Die PIC32CZ CA80-MCUs sind für die Implementierung von Funktionen und Applikationen, wie z. B. Industrie-Gateways, Grafik und Fahrzeuganwendungen ausgelegt.

Merkmale

  • Anschlussfähigkeit:
    • Bis zu 10 SERCOM-Schnittstellen, einschließlich USART,I2C, SPI und LIN
    • Bis zu zweiI2S-Modulemit TDM-Unterstützung (Time Division Multiplexing)
    • Bis zu zwei serielle Quad-Schnittstellen (SQI)
    • Bis zu sechs CAN-FD-Anschlüsse mit dediziertem Direct Memory Access (DMA)
    • Ein MediaLB® Controller
    • Bis zu zwei Hochgeschwindigkeits-USB 2.0-Anschlüsse
    • 10/100/1000 Ethernet mit dediziertem DMA, IEEE® 1588 und Ethernet Audio/Video Bridging (AVB) Unterstützung
  • Funktionale Sicherheit:
    • ECC mit Fehlerinjektion bei Flash und allen SRAMs
    • Globale mBIST
    • Speicherschutzeinheit (Memory Protection Unit, MPU)
    • Schreibschutz auf einigen Peripheriegeräten
    • Taktausfallerkennung mit ausfallsicherem internem RC-Oszillator
    • Rückblick auf Kommunikationsschnittstellen
  • Das mit den PIC32CZ CA90 MCUs verfügbare HSM bietet die folgenden Eigenschaften:
    • RSA-, DSA- und ECC-public-key-Kryptografie mit bis zu 4.096-bit-Schlüssellänge
    • Die AES-Verschlüsselung ist vollständig konform mit NIST FIPS 197-bit- und 256-bit-Schlüssellänge
    • Hash/MAC mit MD-5, SHA-1, SHA-256, SHA-224, SHA-384, SHA-512 und SHA3 Fähigkeit
    • Hardwarezufallszahlengenerator (TRNG)
    • Sichere Schlüsselspeicherung
    • Werksbereitstellung

Technische Daten

  • Betriebsbedingungen:
    • VDDREG: 1,75 V bis 1,85 V, -40 °C bis 85 °C und DC bis 300 MHz
    • VDDIO/AVDD: 1,75 V bis 3,63 V, -40 °C bis 85 °C und DC bis 300 MHz
  • 300 MHz ARM Cortex® -M7:
    • Superskalare Pipeline (6 Stufen mit Abzweigprognose)
    • L1-Cache (16 KB jeweils ECC-geschützte Befehls- und Datencache)
    • Bis zu 256 KB Tightly Coupled Memory (TCM) (128 KB jeweils ECC-geschützte Befehls- und Daten-TCM)
    • Speicherschutzeinheit (Memory Protection Unit, MPU) mit 8 Regionen
    • Fließkommaeinheit (FPU) mit doppelter und einfacher Präzision (32-bit und 64-bit)
    • Multiply Accumulate Unit (MAC) mit Einzelzyklus-Durchsatz
    • DSP Thumb®-2-konformer Befehlssatz
  • Taktmanagement:
    • Interner 32.768 kHz-Oszillator mit extrem geringem Stromverbrauch
    • Erkennung von Taktfehlern wird an den normalen Interrupt oder den NMI-Controller (NonMaskable Interrupt) weitergeleitet:
      • CPU-Frequenzüberwachung
      • Erkennung des Ausfalls des Hauptquarzoszillators
      • Überwachung der Frequenz des 32.768 kHz-Quarzoszillators
    • Unabhängiger Watchdog-Timer (WDT)
    • Interner getrimmter Präzisions-RC-Oszillator mit 48 MHz
    • Bis zu zwei PLLs für den Systemtakt und eine PLL für den USB-Hochgeschwindigkeitsbetrieb
    • FREQM: Frequenzmesser
  • Leistungsmanagement:
    • Power-on-Reset (POR) und Brown-Out-Reset (BOR)
    • Mehrere Leistungsmanagement-Modi: Leerlauf-, Standby-, Ruhezustand-, Backup- und Aus-Modus
    • Extrem stromsparende Echtzeituhr (RTC) und Echtzeit-Timer (RTT):
      • RTC mit gregorianischem Kalender und UTC-Modus, Wellenformerzeugung in stromsparenden Modi
      • RTC-Zähler-Trim-Kalibrierungsschaltung zum Ausgleich von 32.768kHz-Quarzfrequenzschwankungen
  • Speicher:
    • 8 MB, 4 MB und 2 MB systeminterner, selbstprogrammierbarer Flash mit:
      • Fehlerkorrekturcode (ECC = Flash, SRAM, TrustRAM, Cache und TCM)
      • Dualbank mit Read-While-Write-Unterstützung (RWW) (Live-Aktualisierung)
      • Bis zu 4 KB emulierter Benutzer-OTP-Speicher
    • Zusätzlicher 2x 80 KB Boot-Flash-Speicher (2 x 24 Seiten)
    • Bis zu 256 kB Tightly Coupled Memory (TCM) mit ECC
    • Bis zu 8 KB zusätzlicher SRAM:
      • Kann im Backup-Modus beibehalten werden
    • Acht 32-bit-Backup-Register

Applikationen

  • PIC32CZ CA80-MCUs:
    • Industrielle Gateways
    • Grafik
    • Automobil-Applikationen

Implementierung von Sicherheit mit PIC32CZ CA90 Mikrocontrollern

Microchip Technology PIC32CZ CA80/CA90 Mikrocontroller

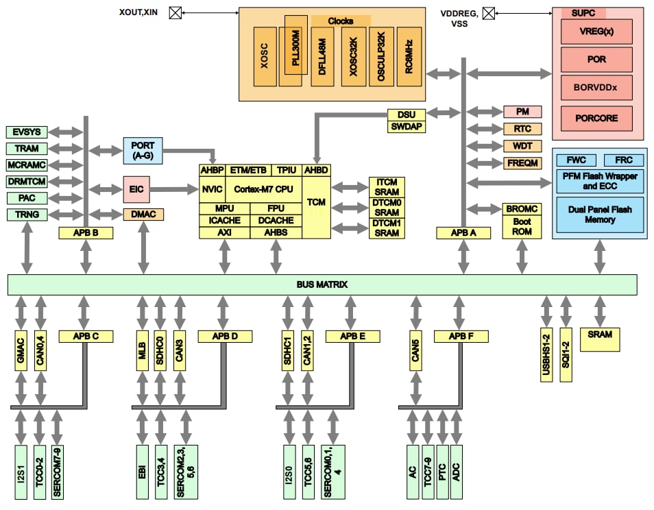
Blockdiagramm

Blockdiagramm - Microchip Technology PIC32CZ CA80/CA90 Mikrocontroller

Schaltplan

Schaltplan - Microchip Technology PIC32CZ CA80/CA90 Mikrocontroller
Veröffentlichungsdatum: 2024-01-12 | Aktualisiert: 2024-12-20