Microchip Technology XIFM Gate-Treiber

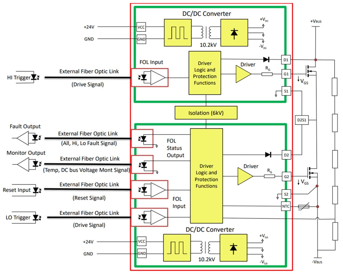
Der Microchip XIFM Gate-Treiber ist ein intelligenter, isolierter™ Plug-and-Play-mSiC-Gate-Treiber, der für den Antrieb von 3,3 kV SiC-Modulen in Hochspannungs-Gehäusen (HV), wie z. B. HV LinPak/HV100, ausgelegt ist. Der Microchip XIFM Gate-Treiber enthält eine gate-drive-Steuerung, ein Netzteil, eine Glasfaserschnittstelle und eine Hochspannungsisolierung (10,2 kV).

Merkmale

  • Unterstützt 3,3 kV HV100/LinPak SiC-Module
  • 10,2 kV Primär- zu Sekundärisolierung
  • Erweiterte Schaltung (konfigurierbares Ein- und Ausschalten)
  • Überwachungsfunktionen (isolierte Temperatur, DC-link-Überwachung)
  • Erweiterte Schutzfunktion (UVLO, OVLO, Desat, negativer Temperaturkoeffizient (NTC))
  • 2 x 10 W Ausgangsleistung
  • 15 A Quellen-/Senken-Spitzenstrom
  • Konfigurierbare gate-Ausgangsspannungen
  • Soft-ShutDown-Zeit (SSD) und Spannungspegel
  • Gemäß den Standards qualifiziert
    • Schienenverkehr-standard EN50155
    • EMV-konform mit EN 50121-3-2, EN 61000-6-4
    • Stoß- und Vibrationsfestigkeit gemäß EN 61373
    • Brandgefahr Stufe HL2

Applikationen

  • Schienenzug (Hilfs- und Antriebssysteme)
  • Batterieladesysteme
  • Intelligentes Stromnetz/netzgebundene Verteilungsgenerierung
  • Unterbrechungsfreie Stromversorgungssysteme (USV)
  • Industrielle Motorantriebe
  • Schwerlast-Ausrüstungen
  • Mittelspannungs-Ladegeräte/Schnellladegeräte

Grundlegender Schaltplan

Schaltplan - Microchip Technology XIFM Gate-Treiber
Veröffentlichungsdatum: 2025-01-13 | Aktualisiert: 2025-01-31