Mikroe MIKROE-3349 UART I²C/SPI Click
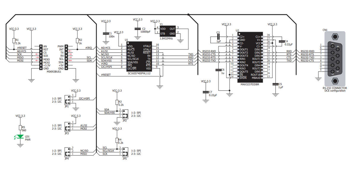
Mikroe MIKROE-3349 UART I2C/SPI Click is an all-in-one solution that allows ESD-protected RS-232 connectivity to any embedded application. The Mikroe UART I2C/SPI click comes with onboard NXP SC161S740 I2C/SPI to UART interface and Maxim Integrated MAX3237 true RS-232 transceiver. This click bridges the UART and I2C/SPI interfaces at the same time. The UART I2C/SPI click features auto flow control (software and hardware), line-break generation and detection, programmable special character detection, and 15kV ESD protection. Typical applications include battery-powered hand-held and portable equipment, PDAs, palmtops, and digital cameras.Features
- Allows ESD-protected RS-232 connectivity to any embedded application
- Bridges UART and I2C/SPI interfaces
- Equipped with DE-9 connector
- Onboard modules
- Line-break generation and detection
- Programmable special character detection
- Autoflow control (software and hardware)
- 15kV ESD protection
- I2C and SPI interface
- 3.3V input voltage
- 57.15mm x 25.4mm dimensions
UART I2C/SPI Click Overview
UART I2C/SPI Click Schematic Diagram
Additional Resources
Veröffentlichungsdatum: 2019-04-12
| Aktualisiert: 2023-09-21
