Mikroe MIKROE-2036 Heart rate 3 click

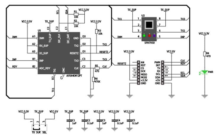
Mikroe MIKROE-2036 Heart rate 3 click is a mikroBUS add-on board with an OSRAM SFH7050 heart rate module and a TI AFE4404 analog-front-end IC. The SFH7050 multichip package contains 3 LEDs and one photodiode separated with a light barrier to prevent optical crosstalk. The AFE4404 is adaptable for different lighting conditions or skin tones making the Heart rate 3 clicks a robust heart rate monitoring solution.

The board uses the mikroBUS™ I2C interface to communicate with a target MCU. Additional functionality is provided by RST, CLK, and RDY pins.  

Heart rate 3 click works with a 3.3V power supply and an onboard jumper allows for driving the SFH7050 LEDs at either 3.3V or 5V.

Features

  • OSRAM SFH7050 heart rate module
  • TI AFE4404 analog-front-end IC
  • I2C interface
  • 3.3V or 5V power supply
  • Separate optical and signal processing circuitry
  • Highly configurable
  • Ready-to-use examples save development time
  • Works in all Mikroe compilers

Applications

  • Optical heart rate monitoring

Schematic

Schematic - Mikroe MIKROE-2036 Heart rate 3 click
Veröffentlichungsdatum: 2016-09-27 | Aktualisiert: 2022-03-11