Monolithic Power Systems (MPS) MP8030 PoE PD Power Supply Converters

Monolithic Power Systems (MPS) MP8030 802.3af/at/bt PoE PD Power Supply Converters incorporate a high-efficiency flyback/forward controller. The PD interface featured on the device provides all the functions of IEEE 802.3af/at/bt.

The MPS MP8030 power supply converters integrate a 100V hot-swap MOSFET for ≤51W applications and one GATE1 driver to enhance efficiency for high-power applications (>51W). The GATE2 driver delivers an external, low on-resistance N-channel MOSFET to prevent high power loss when an adapter powers the MP8030.

The flyback/forward controller is designed explicitly for primary-side regulation (PSR) flyback applications and secondary-side regulation (SSR) active-clamp forward applications. The device also can be used in an SSR flyback topology.

The MP8030 offers overload protection (OLP) with hiccup mode, short-circuit protection (SCP), over-voltage protection (OVP), and thermal shutdown. The MP8030 is housed in a QFN-32 (5mm x 6mm) package.

Features

  • Compliant with 802.3af/at/bt specifications
  • Internal hot-swap MOSFET for ≤51W designs
  • External FET with GATE1 for >51W designs
  • GATE2 N-Channel MOSFET driver for adapter supply
  • Supports automatic classification
  • Automatic maintain power signature function
  • EMI Reduction with frequency dithering
  • Supports flexible topologies with DC/DC design:
    • Primary-Side Regulation (PSR) for flyback applications
    • Secondary-Side Regulation (SSR) for flyback applications
    • SSR for Active-clamp forward applications
  • Ethernet Alliance (EA Gen 2) certified
  • Available in a QFN-32 (5mm x 6mm) package

Applications

  • IEEE 802.3af/at/bt-Compliant devices
  • Security cameras
  • Video and VoIP Phones
  • WLAN Access points
  • Internet of Things (IoT) devices
  • Pico base stations

Videos

Typical Application

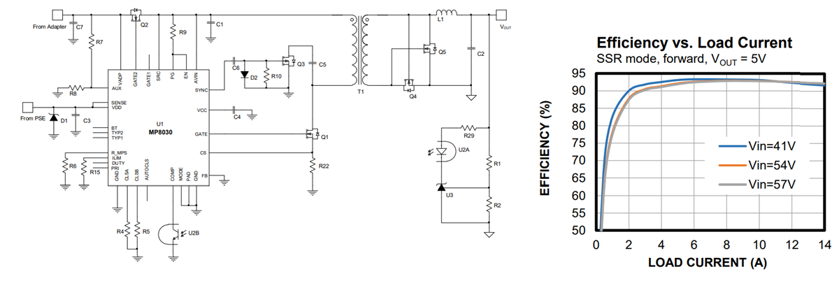
Application Circuit Diagram - Monolithic Power Systems (MPS) MP8030 PoE PD Power Supply Converters
Veröffentlichungsdatum: 2022-12-14 | Aktualisiert: 2025-07-24