Murata Power Solutions MEU1-Serie DC-DC-Wandler mit isoliertem 1 W-Einzelausgang
Murata MEU1-Serie an DC-DC-Wandlern mit isoliertem 1 W-Einzelausgang sind eine neue Produktpalette von besonders kleinen 1 W DC-DC-Wandlern zur Durchsteckmontage, die mit einer ZIP- Pinbelegung erhältlich sind. Die MEU1-Serie biete 1 W an verfügbarer Ausgangsleistung über den Industrietemperaturbereich von -40 ºC bis 85 ºC hinweg. Sie sind ideal dafür geeignet, Steuersystemplatinen lokal zu versorgen, mit dem zusätzlichen Vorteil von 1 kVDC galvanischer Isolation, um Schaltgeräusche zu reduzieren und es zu ermöglichen, das Gerät so zu konfigurieren, dass eine isolierte negative Schiene in Systemen zur Verfügung gestellt wird, in denen nur positive Schienen vorhanden sind. Diese Serie bietet einen um 26 % reduzierten Footprint im Vergleich zu den Vorgängerversionen, dies ist dieser Serie eher eigen als ein Industriestandard.Merkmale
- Footprint reduction of over 26% from previous generations of 1W DC/DC's
- UL60950 recognition pending
- Single isolated output
- 1kVDC isolation
- Efficiency up to 87% typical
- Wide temperature performance at full 1W load, -40°C to +85°C
- Power density of 2.61W/cm3
- 3.3V, 5V, and 12V input
- 3.3V, 5V, 9V, 12V, and 15V output
- Custom solutions available
- PCB mounting
Technische Daten
- 67mA to 303mA output current range
- 6% to 14% maximum load regulation range
- 35mVp-p to 50mVp-p maximum ripple and noise range
- 103mA to 274mA input current range at rated load
- 28pF to 91pF typical isolation capacitance range
- 1.0W rated power
- 1000VDC minimum isolation test voltage
- 10GΩ minimum resistance
- 90kHz switching frequency
- Temperature ranges
- -40°C to +85°C operating
- -50°C to +125°C storage
- Free air convection cooling
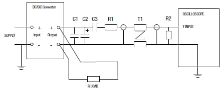
Differential Mode Noise Test Schematic
Package Specifications
Veröffentlichungsdatum: 2013-10-14
| Aktualisiert: 2025-12-11
