Murata Power Solutions PE24110 Zweiphasen-Abwärtsregler
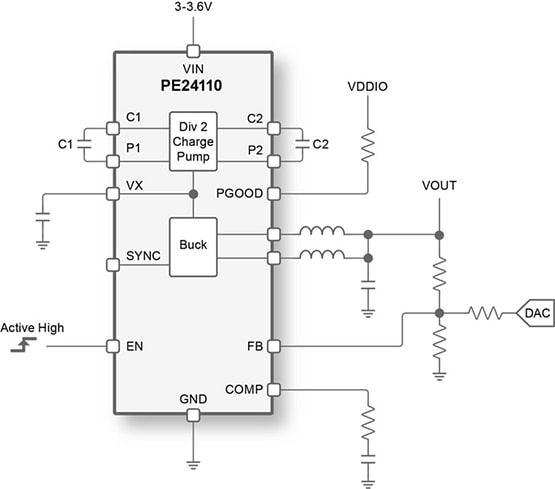
Der PE24110 Zweiphasen-Abwärtsregler von Murata Power Solutions bietet eine kompakte DC/DC-Abwärtswandlerlösung mit niedrigem Profil und extrem hohem Wirkungsgrad. Dieses Modul liefert einen Ausgangsstrom von 12 A pro Phase von einem Eingangsspannungsbereich von 3 V bis 3,6 V. Die Ausgangsspannung kann zwischen 0,35 V und 0,7 V angepasst werden und wird mit externen Rückkopplungswiderständen ausgewählt. Das Modul kann für bis zu vier Phasen parallel geschaltet werden, um den 48 A zu unterstützen. Um eine kleine 4 mm x 3,2 mm Gehäusegröße zu erreichen, verwendet der PE24110 ein zweistufiges Design, das eine Kondensator-Teiler-Ladungspumpe gefolgt von Zweiphasen-Abwärtsreglern kombiniert. Der PE24110 Zweiphasen-Abwärtsregler von Murata Power Solutions eignet sich hervorragend für Punktlast-Regler (PoL), optische Module, Core-Versorgungen, applikationsspezifische integrierte Schaltungen (ASICs) und feldprogrammierbare Gate-Arrays (FPGAs).Merkmale
- Die proprietäre Architektur ermöglicht einen Wirkungsgrad mit extrem niedrigem Profil und Footprint
- 89 % Spitzenwirkungsgrad
- Großer Eingangsspannungsbereich von 3 V bis 3,6 V unterstützt den Betrieb von einer nominalen 3,3 V-bus-Versorgung
- Ausgangsspannung durch externe Feedback-Widerstände eingestellt
- Ausgangsspannungsregelungsgenauigkeit besser als ±1 % für alle Leitungs- und Lastschwankungen
- Der Ausgang kann über einen externen AVS-DAC eingestellt werden
- Parallelschaltung von bis zu 4 Bauteilen
- 4 mm x 3,2 mm QFN-Gehäuse
- RoHS-konform
Applikationen
- PoL-Regler mit niedrigem Profil
- Optische Module
- ASICs
- FPGAs
- Core-Versorgungen
Wirkungsgrad
Vereinfachte Applikation
Veröffentlichungsdatum: 2024-11-19
| Aktualisiert: 2024-12-10
