Murata Power Solutions NCS12-Serie Isolierte 12 W DC-DC-Wandler
Die 12 W DC-DC-Wandler der NCS12-Serie von Murata Power Solutions verfügen über einzelne und duale Ausgangsspannungen in Eingangsspannungsbereichen von 9-36 V und 18-75 V. Die NCS12-Geräte befinden sich in einem Gehäuse mit einer Standardpinbelegung in einem Metallgehäuse für eine bessere EMI-Abschirmung. Diese DC-DC-Wandler von Murata Power Solutions sind eingekapselt, um eine überragende Wärmeleistung sicherzustellen. Die Anwendungsbereiche umfassen Telekommunikation, batteriebetriebene Systeme, Prozesssteuerungen und verteilte Energiesysteme.Merkmale
- UL 60950 recognition pending
- 4:1 wide range voltage input
- Operating temperature range of -40°C to +85°C
- Typical load regulation from 0.05%
- 1.5kVDC isolation
- 3.3V, 5V, 12V, and 15V outputs
- UL 94V-0 package materials
- No electrolytic capacitors
- Thermal shutdown
- Undervoltage lock out
- Current fold back
Applikationen
- Telecommunications
- Battery powered systems
- Process control
- Distributed power systems
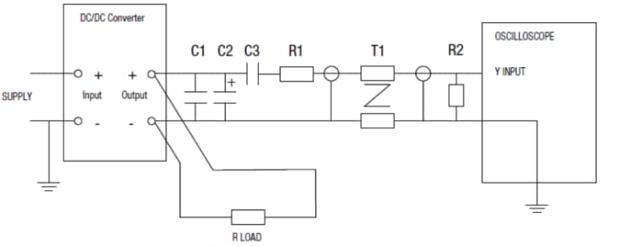
Differential Mode Noise Test Schematic
Veröffentlichungsdatum: 2013-10-22
| Aktualisiert: 2022-03-11
