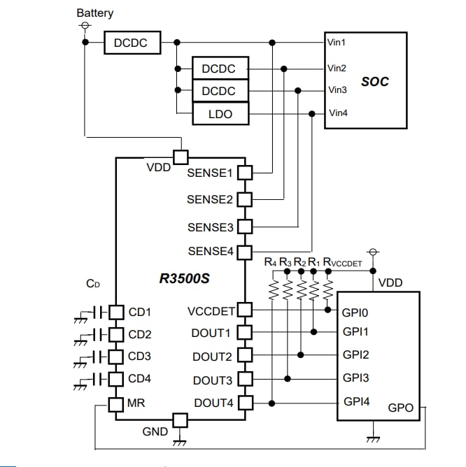
The Nisshinbo R3500S Series is designed to monitor over- and under-voltage from the multiple power supplies to SoCs. Additionally, the device monitors memories and sensors to supervise the system operating at normal voltage continuously.
Features
- Operating voltage range (max. rating) of 3.0V to 42.0V (50.0V)
- Operating temperature range of -40°C to +105°C
- Supply current of 10µA typ.
- Overvoltage detection of 1.0V to 5.9V (0.01V step)
- Undervoltage detection of 0.9V to 5.0V (0.01V step)
- Detection release hysteresis of max. 0.75% (-40°C to +105°C)
- Detection voltage accuracy
- ±0.5% (Ta = 25°C)
- -1.25% to +0.75% (-40°C to +105°C)
- Detection delay time of 20µs typ.
- Release delay time of 4ms typ. (CD = 0.01µF)
- N-channel open drain output type
Applications
- Power supply voltage monitoring of
- Laptop PCs
- Digital TVs
- Cordless phones
- Private LAN systems
- Multi-cell battery using devices
Additional Resources
Typical Application Circuit
Block Diagram
Improved Diagnostic Coverage
Battery as a Power Source
High Accuracy OV/UV Detection
Videos
Veröffentlichungsdatum: 2021-02-24
| Aktualisiert: 2022-03-11

