NXP Semiconductors MC33GD3100 Erweiterte IGBT/SiC Gate-Treiber
Die fortschrittlichen IGBT-/SiC-Gate-Treiber MC33GD3100 von NXP Semiconductors sind Einkanal-Gate-Treiber für isolierte Gate-Bipolartransistoren (IGBT) und Siliziumkarbid (SiC) Power -Bauteile. Die MC33GD3100 Gate-Treiber von NXP verfügen über erweiterte Funktionssicherheits-, Steuerungs- und Schutzfunktionen, wodurch sie sich hervorragend für Fahrzeuganwendungen und EV-Antriebsstrang-Applikationen eignen (vollständig AEC-Q100 Klasse 1 qualifiziert). Integrierte galvanische Trennung und Antriebstransistoren mit niedrigem Einschaltwiderstand sorgen für einen hohen Lade- und Entladestrom, niedrige dynamische Sättigungsspannung und Rail-to-Rail -Gate-Spannungssteuerung. Die Strom- und Temperaturmessung minimiert die IGBT-Belastung bei Fehlern. Eine präzise und konfigurierbare Unterspannungsabschaltung (UVLO) schützt und gewährleistet gleichzeitig einen ausreichenden Spielraum für die Gate-Treiberspannung.Der MC33GD3100 verwaltet autonom schwere Fehler und meldet Fehler und Status über den INTB-Pin und eine SPI-Schnittstelle. Er ist in der Lage, die Gates der meisten IGBTs und SiC-MOSFETs direkt anzusteuern. Selbsttest-, Steuerungs- und Schutzfunktionen sind im Design von Systemen mit hoher Zuverlässigkeit (ASIL C/D) enthalten.
Merkmale
- SPI-Schnittstelle für die Sicherheitsüberwachung, Programmierbarkeit und Flexibilität
- Geringe Laufzeitverzögerung und minimale PWM-Verzerrung
- Bis zu 8 kV integrierte galvanische Signalisolierung
- Integrierte Gate-Treiber-Leistungsstufe, die zu einer 15 A-Spitzenquelle und -Senke fähig ist
- Vollständig programmierbare aktive Miller-Klemme
- Mit negativer Gate-Versorgung kompatibel
- Mit Strom- und Temperaturmess-IGBTs kompatibel
- Integriertes sanftes Herunterfahren, zweistufiges Abschalten, aktive Klemme und segmentierter Drive für Wellenformung
- CMTI: > 100 V/ns
- >125 kW-kompatibel mit 200 V bis 1.700 V IGBT/SiC, Leistungsbereich > 7,8 mm externer Kriechstrecke (CPG)
- >40 kHz Betriebsfrequenz
- 5,0 V- und 3,3 V-tolerante MCU-Schnittstellen verfügbar
- Betriebstemperaturbereich: -40 °C bis +125 °C
- 32-poliges Wide-Body-SOIC-Gehäuse
- Sicherheit
- Zertifiziert gemäß ASIL D ISO26262 funktionale Sicherheitsanforderungen für vollständige Diagnosefunktionen
- Strom-, DESAT- und Temperaturmess-Eingänge und ADC-Meldung für die IGBT-/SiC-Überwachung
- Schneller Kurzschlussschutz, Überstromschutz, Temperaturwarnung und Abschaltung
- Interrupt-Pin für eine schnelle Reaktion auf Fehler
- Integrierte Selbstüberprüfung aller analogen und digitalen Schaltungen
- Kontinuierlicher Watchdog der Chip-zu-Chip-Kommunikation
- Totzeit-Durchsetzung
- Über- und Unterspannungsüberwachung aller Stromversorgungen sowohl auf der Nieder- als auch auf der Hochspannungsseite
- Ausfallsichere Zustandsmanagement-Pins sowohl auf der Nieder- als auch auf der Hochspannungsseite
- VGE-Echtzeit-Zyklus-für-Zyklus-Überwachung
- Behördliche Genehmigungen
- Verstärkte Isolierung gemäß DIN V VDE V 0884-10
- Hält einer Isolierung von 2.500 VRMS (1 Minute) gemäß UL 1577 stand
- CSA-Bauteilabnahmeerklärung 5A
- Für Fahrzeuganwendungen gemäß AEC-Q100 Klasse 1 qualifiziert
Applikationen
- Batteriemanagementsysteme (BMS)
- Elektrofahrzeug-Traktionswechselrichter
- Hybrid-Elektrofahrzeuge (HEVs)
- Industrielle Motorantriebe
Blockdiagramm
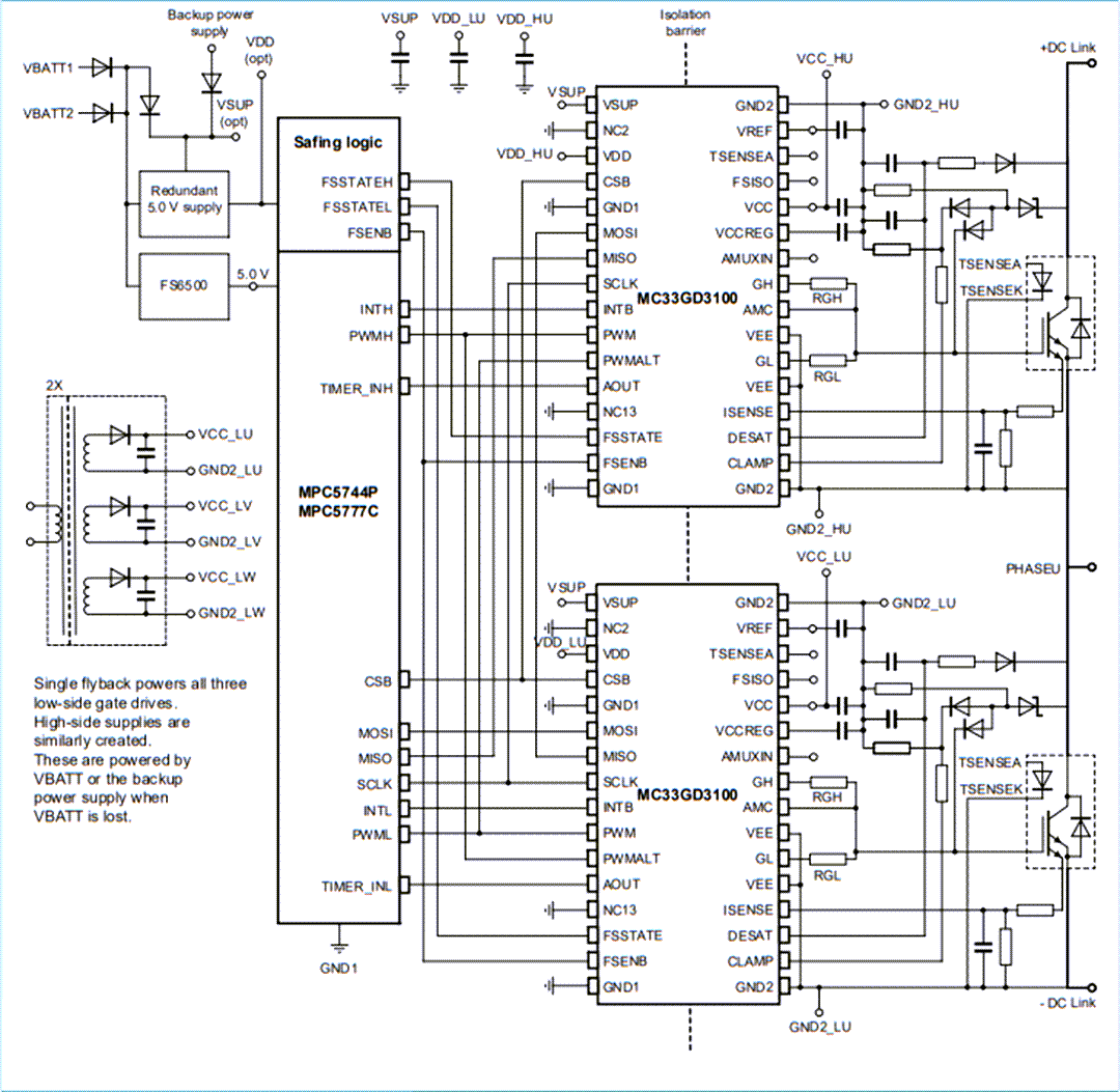
Typische Applikations-Schaltung
Weitere Ressourcen
Veröffentlichungsdatum: 2020-01-16
| Aktualisiert: 2024-10-30
