NXP Semiconductors PCA9501PW 8-Bit I/O Expander

NXP Semiconductors PCA9501PW 8-bit I/O Expander is with an onboard 2-kbit EEPROM. The PCA9501PW features I/O expandable eight quasi-bidirectional data pins that can be independently assigned as inputs or outputs to monitor the board-level status or activate indicator devices such as LEDs. The system master writes to the I/O configuration bits in the same way as for the PCF8574. The EEPROM on the NXP Semiconductors PCA9501PW can be used to store error codes or board manufacturing data for read-back by application software for diagnostic purposes and are included in the I/O expander package. The PCA9501PW is ideal for a variety of applications, including board version tracking and configuration, board health monitoring and status reporting, and more.

Features

  • 8 general-purpose input/output expander/collector
  • Replacement for PCF8574 with integrated 2-kbit EEPROM
  • Internal 256 x 8 EEPROM
  • Self-timed write cycle (5 ms typical)
  • 16-byte page write operation
  • I2C-bus and SMBus interface logic
  • Internal power-on reset
  • Noise filter on SCL/SDA inputs
  • Active LOW interrupt output
  • 6 address pins allowing up to 64 devices on the I2C-bus/SMBus
  • No glitch on power-up
  • Supports hot insertion
  • Power-up with all channels configured as inputs
  • Low standby current
  • An operating power supply voltage range of 2.5V to 3.6V
  • 5V tolerant inputs/outputs
  • 0Hz to 400kHz clock frequency
  • ESD protection exceeds 2000V HBM per JESD22-A114, 200V MM per
    JESD22-A115, and 1000V CDM per JESD22-C101
  • Latch-up testing is done to JEDEC Standard JESD78 which exceeds 100mA
  • Packages offered SO20, TSSOP20, and HVQFN20

Applications

  • Board version tracking and configuration
  • Board health monitoring and status reporting
  • Multi-card systems in telecom, networking, and base station infrastructure equipment
  • Field recall and troubleshooting functions for installed boards
  • General-purpose integrated I/O with memory
  • Replacement for PCF8574 with integrated 2-kbit EEPROM
  • Bus master sees GPIO and EEPROM as two separate devices

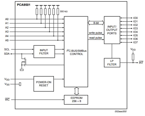
PCA9501PW Expander Block Diagram

Block Diagram - NXP Semiconductors PCA9501PW 8-Bit I/O Expander
Veröffentlichungsdatum: 2010-03-10 | Aktualisiert: 2022-03-11