NXP Semiconductors PCA9957 24-Kanal-Konstantstrom-LED-Treiber
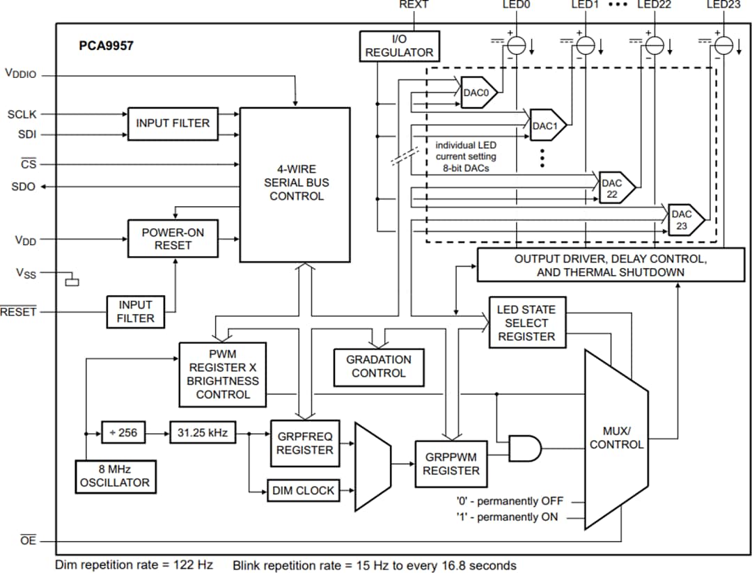
Der NXP Semiconductors PCA9957 24-Kanal-Konstantstrom-LED-Treiber ist für das Dimmen und Blinken von Vollfarben-RGBA-LEDs (Rot/Grün/Blau/Gelb) optimiert, wodurch er sich hervorragend für den Einsatz für Status- und Farbdisplays eignet. Der PCA9957 verfügt über eine SPI-kompatible serielle 4-wire-Bussteuerung und kann 24 LED-Ausgänge ansteuern, die jeweils einzeln gesteuert werden.Jeder LED-Ausgang verfügt über einen individuellen Pulsweitenmodulations-Controller (PWM) mit 8-bit-Auflösung (256 Schritte) mit fester Frequenz, der bei 31,25 kHz arbeitet und ein von 0 % bis 100 % einstellbares Tastverhältnis ermöglicht, wodurch die LED auf einen bestimmten Helligkeitswert eingestellt werden kann. Eine zusätzliche PWM-Controller mit 8-bit-Auflösung (256 Schritte) verfügt über eine feste Frequenz von 122 Hz und eine einstellbare Frequenz zwischen 15 Hz und einmal alle 16,8 Sekunden mit einem Tastverhältnis, das von 0 % bis 99,6 % einstellbar ist. Dies wird zum Dimmen oder Blinken aller LEDs mit dem gleichen Wert verwendet.
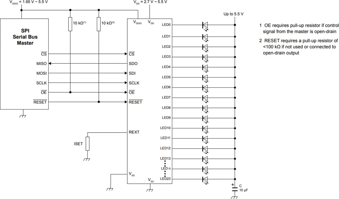
Jeder LED-Ausgang kann ausgeschaltet, eingeschaltet (keine PWM-Steuerung), auf seinen individuellen PWM-Reglerwert oder sowohl auf Einzel- als auch Gruppen-PWM-Reglerwerte eingestellt werden. Der PCA9957 arbeitet mit einem Versorgungsspannungsbereich von 2,7 V bis 5,5 V und die Konstantstromsenken-LED-Ausgänge ermöglichen bis zu 5 V für die LED-Versorgung. Der Ausgangsspitzenstrom ist mit einem 8-Bit-Linear-DAC (Digital-Analog-Wandler) von 125 μA bis 31,875 mA mit REXT = 2 kΩ einstellbar.
Dieser PCA9957 verfügt über eine integrierte offene Kurzschluss- und Übertemperatur-Erkennungsschaltung. Die Fehlerinformationen aus dem entsprechenden Register können über den seriellen 4-wire-Bus gelesen werden. Darüber hinaus schützt eine thermische Abschaltfunktion das Bauteil, wenn eine interne Sperrschichttemperatur die Prozessgrenze überschreitet. Dieses Gerät ist für die Verwendung eines seriellen Lese-/Schreib-4-wire-Bus mit einer höheren Datentaktfrequenz (bis zu 10 MHz) ausgelegt.
Der PCA9957 LED-Treiber wird in einem kompakten 5 mm2-Kühlkörper-Very-thin-Quad-Flat-Pack-No-Lead-Gehäuse (HVQFN) angeboten.
Merkmale
- 24 LED-Treiber mit programmierbarem Ausgang bei
- Aus
- Ein
- Programmierbare 8-Bit-LED-Helligkeit
- 8-Bit-programmierbare Verdunkelung/Blinken der Gruppe, gemischt mit individueller Helligkeit der LEDs
- Programmierbare LED-Ausgangsverzögerung zur Reduzierung von EMI und Stromstößen
- Abstufungssteuerung für alle Kanäle
- Jeder Kanal kann einer von sechs Abstufungssteuergruppen zugewiesen werden
- Programmierbare Abstufungszeit und Rate für Aktivitäten des Hoch- und Herunterfahrens
- Programmierbare Schrittzeit (6-Bit) von 0,5 ms (Minimum) bis 512 ms (Maximum)
- Programmierbare Unterbrechungszeit nach Hochfahren und Unterbrechungszeit nach Herunterfahren (3-Bit) von 0 s bis 6 s
- Programmierbares finales Hochfahren und Unterbrechungsstrom
- Programmierbare Helligkeits-Stromausgangseinstellung, entweder in linearer oder exponentieller Kurve
- 24 Konstantstrom-Ausgangskanäle können bis zu 32 mA senken und tolerieren im ausgeschalteten Zustand bis zu 20 V
- Ausgangsstrom wird über einen externen Widerstand (REXT-Eingang) eingestellt
- Ausgangsstromgenauigkeit
- absolute Genauigkeit von ±6,5 % mit 30 mA Ausgangsstrom
- Maximale ±4 % Kanal-zu-Kanal-Abweichung
- Maximale ±6 % Bauteil-zu-Bauteil-Abweichung
- Erkennungsmodus für offene/Kurzschluss-Last/Übertemperatur zur Erkennung von individuellen LED-Fehlern
- Serielle 4-Draht-Bus-Schnittstelle mit einer Datenrate von 10 MHz
- Linear programmierbare 256-Schritt-(8-Bit)-Helligkeit pro LED-Ausgang, variabel von vollständig ausgeschalteter (Standard) bis vollständig eingeschalteter maximaler Helligkeit unter Verwendung eines 31,25-kHz-PWM-Signals
- 256-Schritt-Gruppenhelligkeitssteuerung ermöglicht eine allgemeine Verdunkelung (über ein 122-Hz-PWM-Signal) von vollständig ausgeschalteter bis maximaler Helligkeit (Standard)
- 256-Schritt-Gruppenblinken mit programmierbarer Frequenz von 15 Hz bis 16,8 s und Tastverhältnis von 0 % bis 99,6 %
- Aktiver LOW-Ausgangsfreigabe(OE)-Eingangspin ermöglicht das Blinken und die Verdunkelung der Hardware von LEDs
- Interner 8-MHz-Oszillator benötigt keine externen Komponenten
- Internes Power-on-Reset
- Keine Spannungsspitze auf den LED-Ausgängen beim Einschalten
- Niedriger Standby-Strom
- Betriebsversorgungsspannungsbereich (VDD) von 2,7 V bis 5,5 V
- 5,5 V tolerante Eingänge auf Nicht-LED-Pins
- Latch-Up-Leistung übertrifft 100 mA gemäß JESD 78, Klasse II
- ESD-Schutz überschreitet
- 2 kV Human-Body Model (A114-A)
- 1 kV Charged-Device Model (C101)
- -40 °C bis +85 °C Betriebstemperaturbereich
- HVQFN-40-Gehäuse
- 5,0 mm x 5,0 mm x 0,85 Abmessungen
Applikationen
- RGB- oder RGBA-LED-Treiber
- LED-Statusanzeige
- LED-Displays
- LCD-Hintergrundbeleuchtung
- Smart-Lautsprecher
- VR-Kopfhörer
- Tragbare Displays
- Tragbare Aspektbeleuchtung
- Tastatur-Hintergrundbeleuchtung
- Einblendung und Ausblendung für Breath-Light-Steuerung
Dokumente
Videos
Blockdiagramm
Typische Applikations-Schaltung
