NXP Semiconductors QN9080-001-M17 Bluetooth®-Module
Die QN9080-001-M17 Bluetooth®-Module von NXP sind vollständig zertifizierte Module, die Bluetooth Low Energy (BLE) und NFC unterstützen. Diese Bluetooth-Module bieten einen extrem geringen Stromverbrauch, sind mit umfangreichen Funktionssätzen hochintegriert und gemäß FCC/CE/IC/MIC vollständig zertifiziert. Die QN9080-001-M17 Bluetooth-Module basieren auf dem QN9080 MCU, der von einem ARM® Cortex®-M4F betrieben wird und einen dedizierten Fusion-Sensor-Co-Prozessor (FSP) enthält. Darüber hinaus integrieren diese Bluetooth-Module einen NFC-NTAG, 32 MHz, 32,768-kHz-Quarze, eine HF-Anpassung und eine 2,4-GHz-Antenne. Dadurch wird eine vollständige und einsatzbereite Lösung für Applikationen ermöglicht, die eine drahtlose BLE-Konnektivität und eine einfache Paarung mit NFC-NTAG erfordern. Die QN9080-001-M17 Module sind extrem kleine Bauteile, die auf dem QN9080 und NT3H2211 Chip basieren. Zu den Applikationen gehören Gesundheits- und medizinische Geräte, Sport- und Fitness-Tracker, Gebäude- und Hausautomatisierung sowie Werbe-Beacons.Merkmale
- Bluetooth® 5 Low Energy-Funk bietet:
- RX-Empfindlichkeit von 92,7 dB
- TX-Ausgangsleistung von 20 dBm bis 2 dBm
- LE-2M-PHY mit Bluetooth-5-Zertifizierung unterstützt bis zu 16 gleichzeitige Links
- NTAG-Merkmale:
- Kompatibel mit ISO/IEC 14443 Teil 2 und 3
- Das NTAG I2C Plus Development Board ist als NFC-Forum Typ 2 Tag (Zertifizierungs-ID: 58514) zugelassen
- Core und Speicher:
- Cortex-M4F-32-MHz-Core mit 512 kB Flash-Speicher und 128 KB SRAM
- 32-MHz-Fusion-Sensor-Prozessor (FSP)
- 512 KB Flash und 128 KB RAM
- Betriebsspannungsbereiche mit geringem Stromverbrauch:
- 3,5 mA TX-Strom bei 0 dBm Tx-Leistung
- 4,0 mA RX-Strom
- Betriebsspannungsbereich: 1,67 V bis 3,6 V
- Digitale und analoge Peripherien:
- UART/SPI/I2C bis zu 2 und 1 USB 2.0 Vollgeschwindigkeit
- 8-Kanal-6-Bit-Σ△ADC, 8-Bit-DAC mit 1 Msps und 2 extrem stromsparenden Komparatoren
- 4 x Universal-Timer und SCT/PWM
- Kapazitive 8-Kanal-Berührung
- Quad-SPI für XIP
- Temperatursensor
- Einfaches Design:
- Integrierte 32-MHz- und 32,768-KHz-Quarze
- Integrierte 2,4-GHz-Antenne
- Vollständig FCC-/CE-/IC-/MIC-zertifiziert
Applikationen
- Gesundheits- und medizinische Geräte
- Sport- und Fitness-Tracker
- Gebäude- und Hausautomatisierung
- Einzelhandels- und Werbe-Beacons
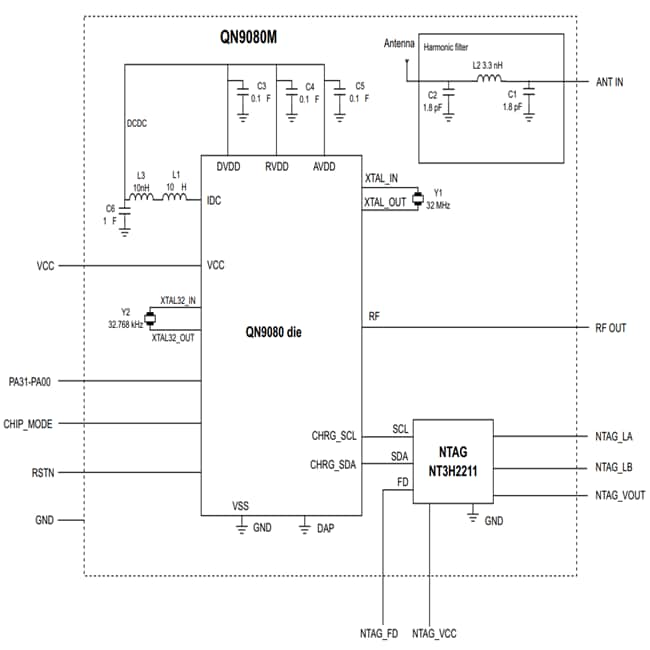
QN9080-001-M17 Blockdiagramm
Veröffentlichungsdatum: 2019-04-05
| Aktualisiert: 2023-07-06
