NXP Semiconductors TEA2016AAT Digitaler LLC+PFC Kombi-Controller

Der NXP Semiconductors TEA2016AAT digitale LLC+PFC-Kombi-Controller ist für Resonanznetzteile mit hohem Wirkungsgrad ausgelegt. Dazu gehören der LLC-Controller-Funktionsumfang und der PFC-Controller, der im DCM- und QR-Modus betrieben wird. Der TEA2016AAT ermöglicht die Erstellung einer kompletten resonanten Stromversorgung, die einfach zu entwickeln ist und eine sehr geringe Anzahl an Komponenten aufweist. Der TEA2016AAT wird in einem schmalen SO16-Gehäuse mit niedrigem Profil geliefert.

Die TEA2016AAT digitale Architektur von NXP Semiconductors basiert auf einer konfigurierbaren Hochgeschwindigkeits-Hardware-Zustandsmaschine, die eine sehr zuverlässige Echtzeitleistung gewährleistet. Während der Stromversorgungsentwicklung können viele Betriebs- und Schutzeinstellungen des LLC- und PFC-Controllers angepasst werden, indem neue Einstellungen in das Bauteil geladen werden, um spezifische Applikationsanforderungen zu erfüllen. Die Konfigurationen können vollständig gesichert werden, um ein unbefugtes Kopieren des proprietären TEA2016AAT Konfigurationsinhalts zu verhindern.

Merkmale

  • Kodierung
    • Vollständiger Funktionsumfang des LLC- und PFC-Controllers in einem kleinen SO16-Gehäuse
    • Integriertes Hochspannungs-Einschalten
    • Integrierte Treiber und Hochspannungs-Level-Shifter (LS)
    • Der High-Side-Treiber wird direkt vom Low-Side-Treiberausgang versorgt
    • Präzise Boost-Spannungsregelung
    • Integrierte X-Kondensatorentladung ohne zusätzliche externe Komponenten
    • Power-Good-Funktion
    • Mehrere Parameter können einfach konfiguriert werden, beispielsweise:
      • Betriebsfrequenzen außerhalb des hörbaren Bereichs in allen Betriebsmodi
      • Sanfter Start und sanfter Stopp im Burst-Modus, wodurch das hörbare Geräusch reduziert wird
      • Genaue Übergangspegel zwischen den Betriebsmodi (Hochleistungsmodus/Stromsparmodus/Burst-Modus)
  • Grün
    • Tal-/Nullspannungsschaltung für minimale Schaltverluste
    • Hohe Effizienz von niedriger bis hoher Last
    • Konform mit den neuesten Energiesparstandards und -richtlinien (Energy Star, EuP)
    • Ausgezeichnete Nulllast-Eingangsleistung (< 75 mW für TEA2016AAT/TEA1995T-Kombination)
  • Schutzfunktionen
    • Unabhängig konfigurierbare Stufen und Timer
    • Alle Schutzfunktionen können auf Verriegelung, sicheren Neustart oder Verriegelung nach mehreren Versuchen zum Neustart unabhängig eingestellt werden
    • Unterspannungsschutz der Versorgung (UVP)
    • Überspannungsschutz (OPP)
    • Interner und externer Übertemperaturschutz (OTP)
    • Kapazitive Regelung (CMR)
    • Präziser Überspannungsschutz (OVP)
    • Überstromschutz (OCP)
    • Einschaltstromschutz (ICP)
    • Brown-in/Brown-out-Schutz
    • Eingang deaktivieren

Applikationen

  • Desktop- und All-in-One-PCs
  • LCD-Fernseher
  • Notebook-Adapter
  • Drucker

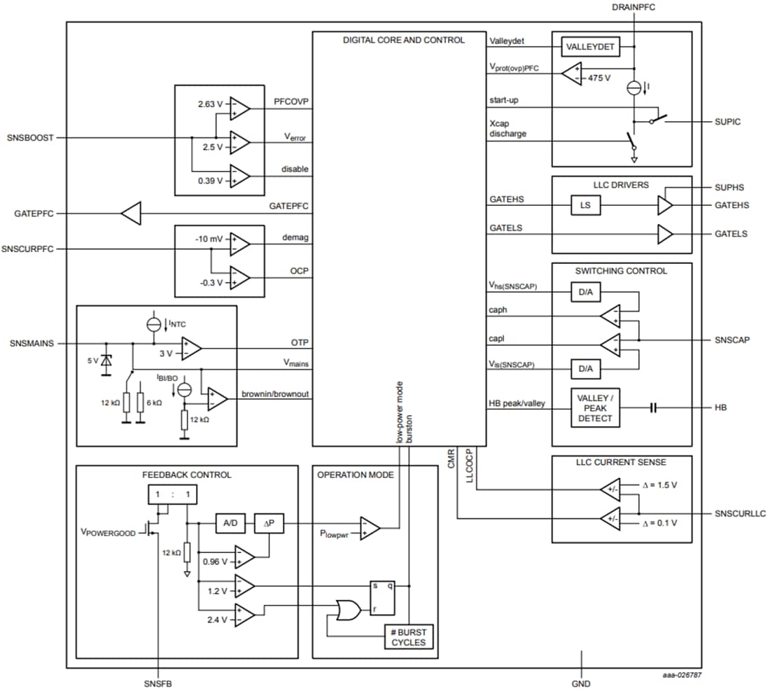
Blockdiagramm

Blockdiagramm - NXP Semiconductors TEA2016AAT Digitaler LLC+PFC Kombi-Controller
Veröffentlichungsdatum: 2023-01-09 | Aktualisiert: 2023-09-26